Ford Workshop Service and Repair Manuals
HOME
FEATURES
MENU
INDEX
ABOUT US
Main Relay (Computer/Fuel System)|Locations|Page 4446 >
< Knock Sensor|Specifications|Page 4442
Explorer 4WD V6-4.0L VIN E (1999)
Powertrain Management
Computers and Control Systems
Main Relay (Computer/Fuel System)
Component Information
Locations
Page 1
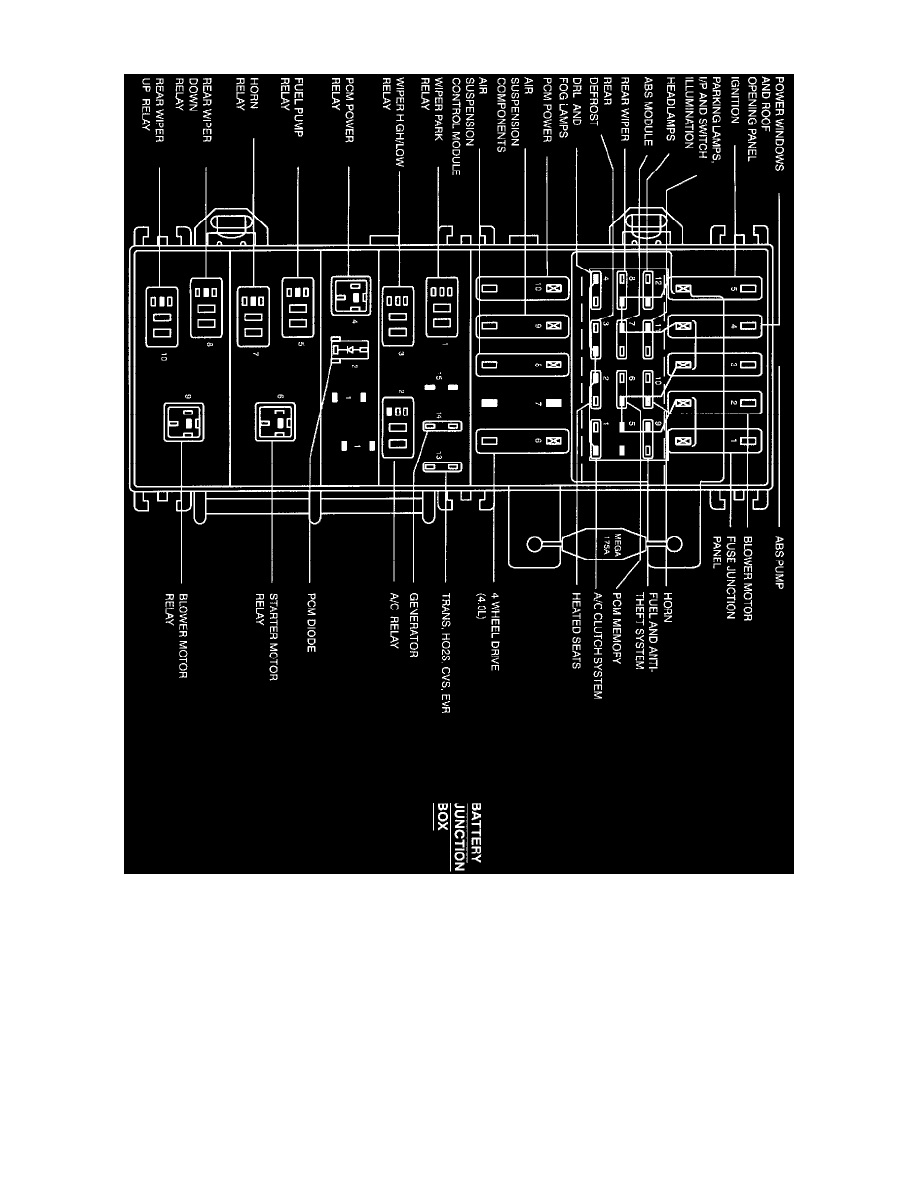
Main Relay (Computer/Fuel System): Locations
Powertrain Management
Computers and Control Systems
Main Relay (Computer/Fuel System)
Component Information
Locations
Main Relay (Computer/Fuel System)|Locations|Page 4446 >
< Knock Sensor|Specifications|Page 4442