Ford Workshop Service and Repair Manuals
HOME
FEATURES
MENU
INDEX
ABOUT US
Diagram Information and Instructions|Page 8678 >
< Diagram Information and Instructions|Page 8676
Explorer Sport Trac 2WD V6-4.0L VIN E (2002)
Accessories and Optional Equipment
Towing / Trailer System
Trailer Lamps / Diagrams / Diagram Information and Instructions
Page 8677
Page 1
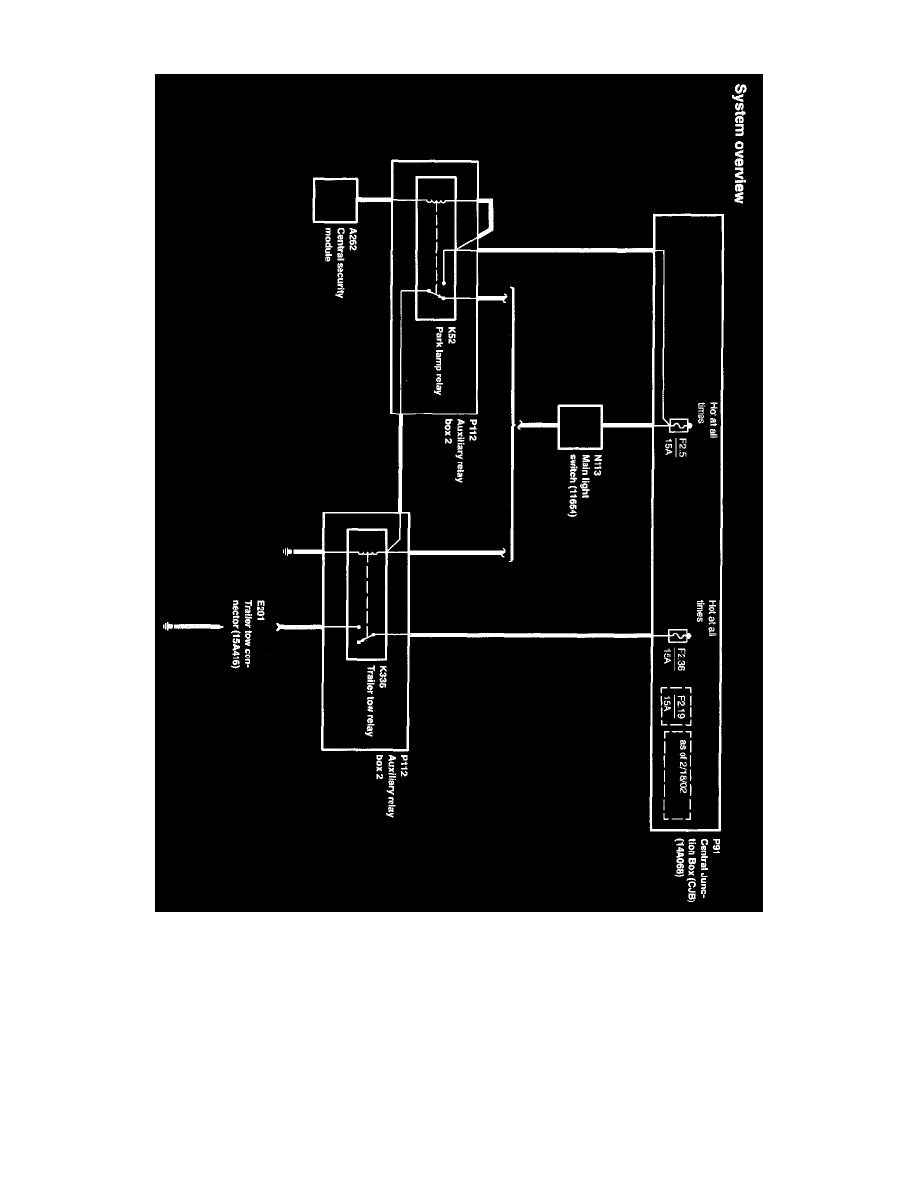
Trailer Lamps: Electrical Diagrams
Diagram 95-1
Accessories and Optional Equipment
Towing / Trailer System
Trailer Lamps / Diagrams / Diagram Information and Instructions
Page 8677
Diagram Information and Instructions|Page 8678 >
< Diagram Information and Instructions|Page 8676