Ford Workshop Service and Repair Manuals
HOME
FEATURES
MENU
INDEX
ABOUT US
Paint, Striping and Decals >
< Diagram Information and Instructions
F 150 4WD Pickup V8-351 5.8L VIN G 2-bbl (1984)
Body and Frame
Mirrors
Power Mirror Switch / Diagrams / Diagram Information and Instructions
Page 5695
Page 1
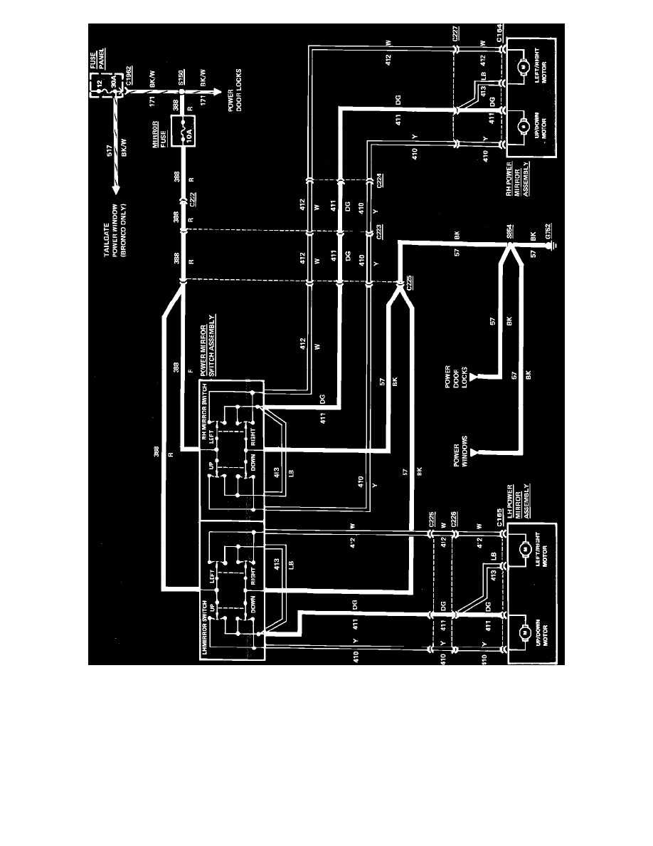
Fig. 107 Power mirror wiring circuit. 1983-84 Bronco & F100-350
Body and Frame
Mirrors
Power Mirror Switch / Diagrams / Diagram Information and Instructions
Page 5695
Paint, Striping and Decals >
< Diagram Information and Instructions