ford Workshop Repair Guides

Ford Workshop Service and Repair Manuals

Diagram Information and Instructions|Page 10961 > < Diagram Information and Instructions|Page 10959
Page 1
background image

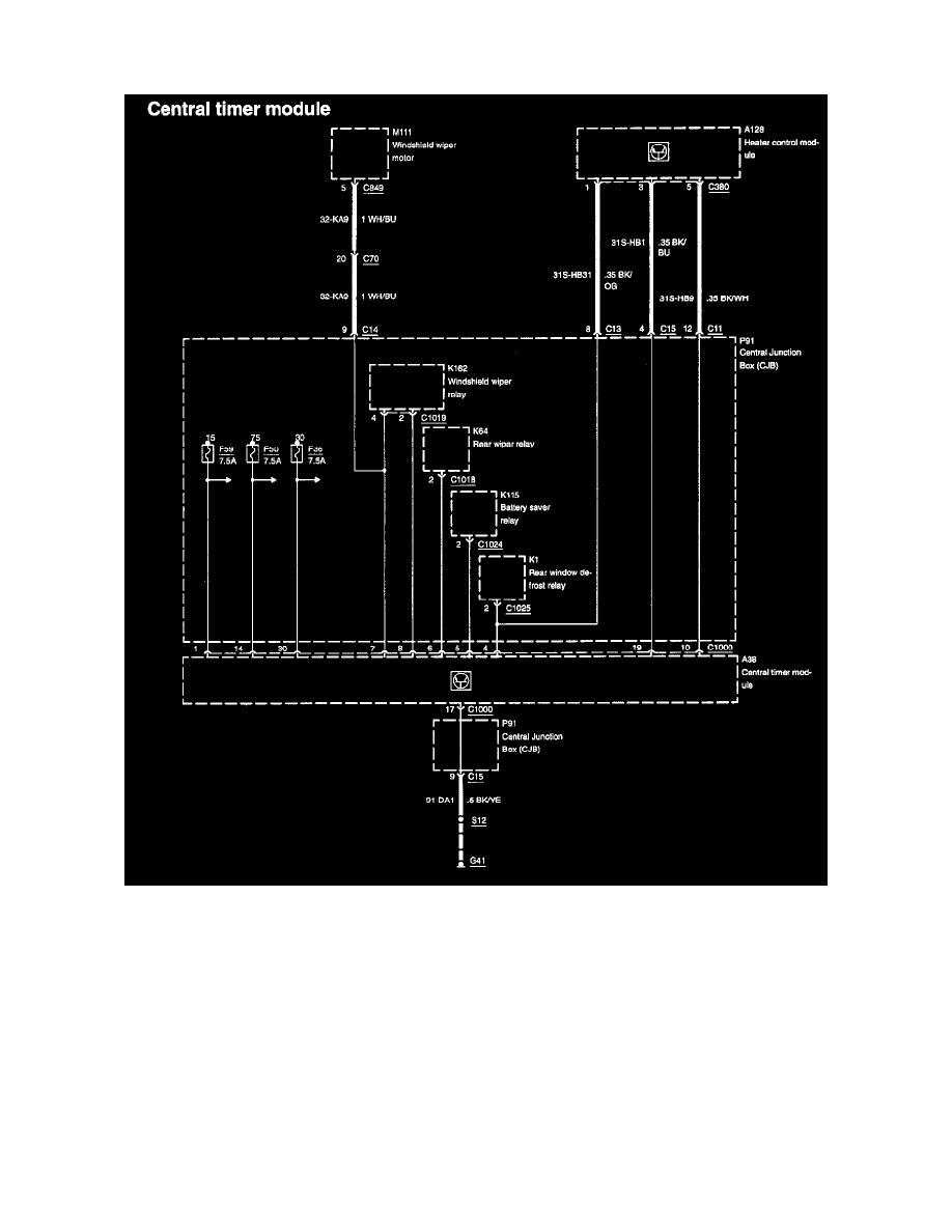
Windshield Washer Control Module: Electrical Diagrams

DETAILED DIAGRAMS (Central Timer Module)

Diagram 419-10-00-1

Diagram Information and Instructions|Page 10961 > < Diagram Information and Instructions|Page 10959