Fusion FWD L4-2.3L VIN Z (2007)
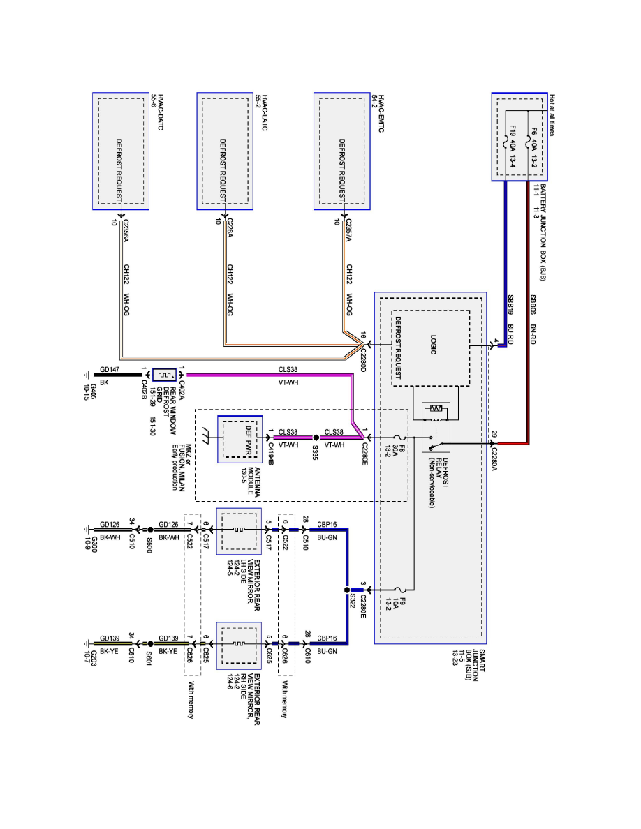
Heated Glass Element: Electrical Diagrams
PLEASE NOTE: Some diagrams may appear to be missing because of gaps in the number sequences. These "gaps" are actually for diagrams that do not
apply to the vehicle model selected.
56-1
Diagrams: Other diagrams referred to by number (See Diagram ##-#, etc.) within these diagrams can be found at Diagrams By Number. See:
