Sprinter 2500 L5-2.7L DSL Turbo (2002)
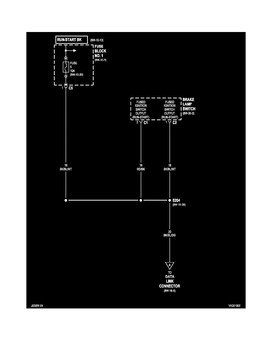
Information Bus: Electrical Diagrams
PLEASE NOTE: Some diagrams may appear to be missing because of gaps in the number sequences. These "gaps" are actually for diagrams that do not
apply to the vehicle model selected.
8W-18-2
