GMC Workshop Service and Repair Manuals
HOME
FEATURES
MENU
INDEX
ABOUT US
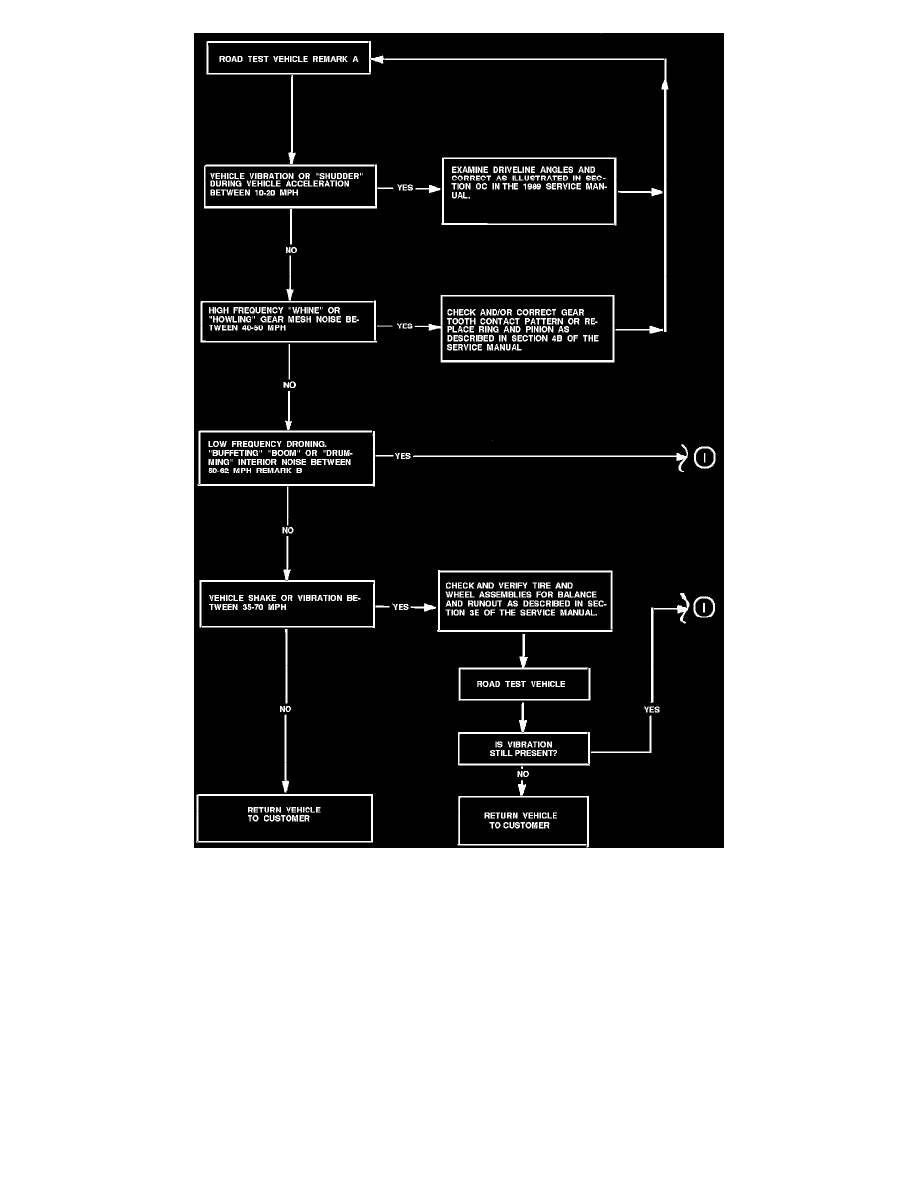
Drivetrain - Evaluating Driveline Vibration|Page 6201 >
< Drivetrain - Evaluating Driveline Vibration
K 3500 Truck 4WD V6-262 4.3L (1988)
Transmission and Drivetrain
Drive/Propeller Shafts, Bearings and Joints
Drive/Propeller Shaft / Technical Service Bulletins
All Other Service Bulletins for Drive/Propeller Shaft: / 891994A / Jun / 89 / Drivetrain - Evaluating Driveline Vibration
Page 6200
Page 2
Transmission and Drivetrain
Drive/Propeller Shafts, Bearings and Joints
Drive/Propeller Shaft / Technical Service Bulletins
All Other Service Bulletins for Drive/Propeller Shaft: / 891994A / Jun / 89 / Drivetrain - Evaluating Driveline Vibration
Page 6200
Drivetrain - Evaluating Driveline Vibration|Page 6201 >
< Drivetrain - Evaluating Driveline Vibration