K 3500 Truck 4WD V6-262 4.3L (1988)
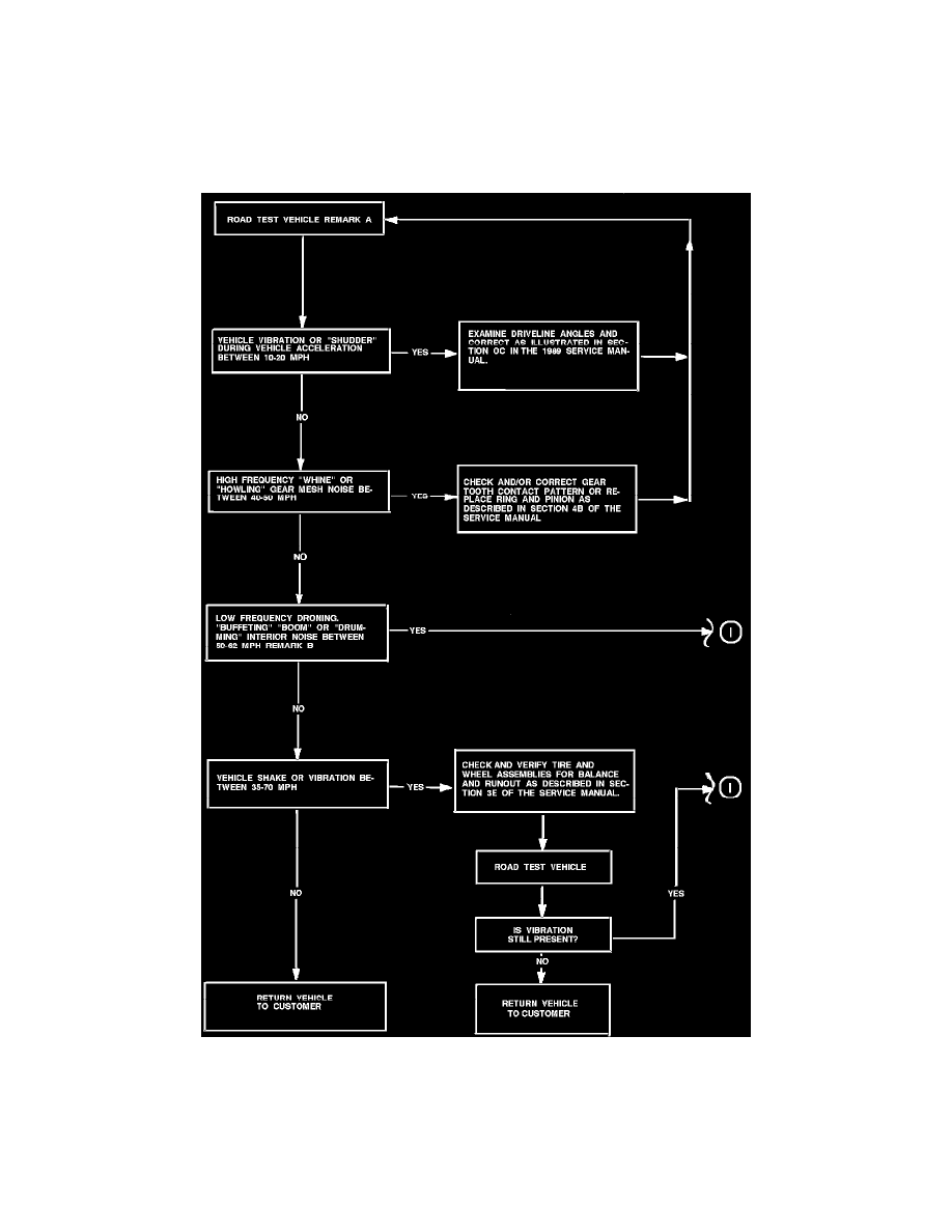
B.
Disturbance may peak within this speed range.
C.
Visually check components for damage, looseness, missing balance weights, etc.
D.
This may compensate for companion flange runout
E.
Excessive companion flange runout may occur as high prop runout. Replace companion flange as required, see Figure 2.
F.
IMPORTANT: If runout is reduced to below 0.005-inch and the flange possesses a compensation weight, this part is out of spec. See Figure 2.
G.
Ensure the companion flange runout is still well within specifications.
H.
If this point has been crossed several times, it is recommended that the Technical Assistance Center be contacted.
