GMC Workshop Service and Repair Manuals
HOME
FEATURES
MENU
INDEX
ABOUT US
Diagram Information and Instructions|Page 13910 >
< Diagram Information and Instructions|Page 13908
Sierra 1500 4WD V8-5.3L VIN T (2004)
Body and Frame
Locks / Door Locks
Door Module / Component Information
Diagrams / Diagram Information and Instructions
Page 13909
Page 1
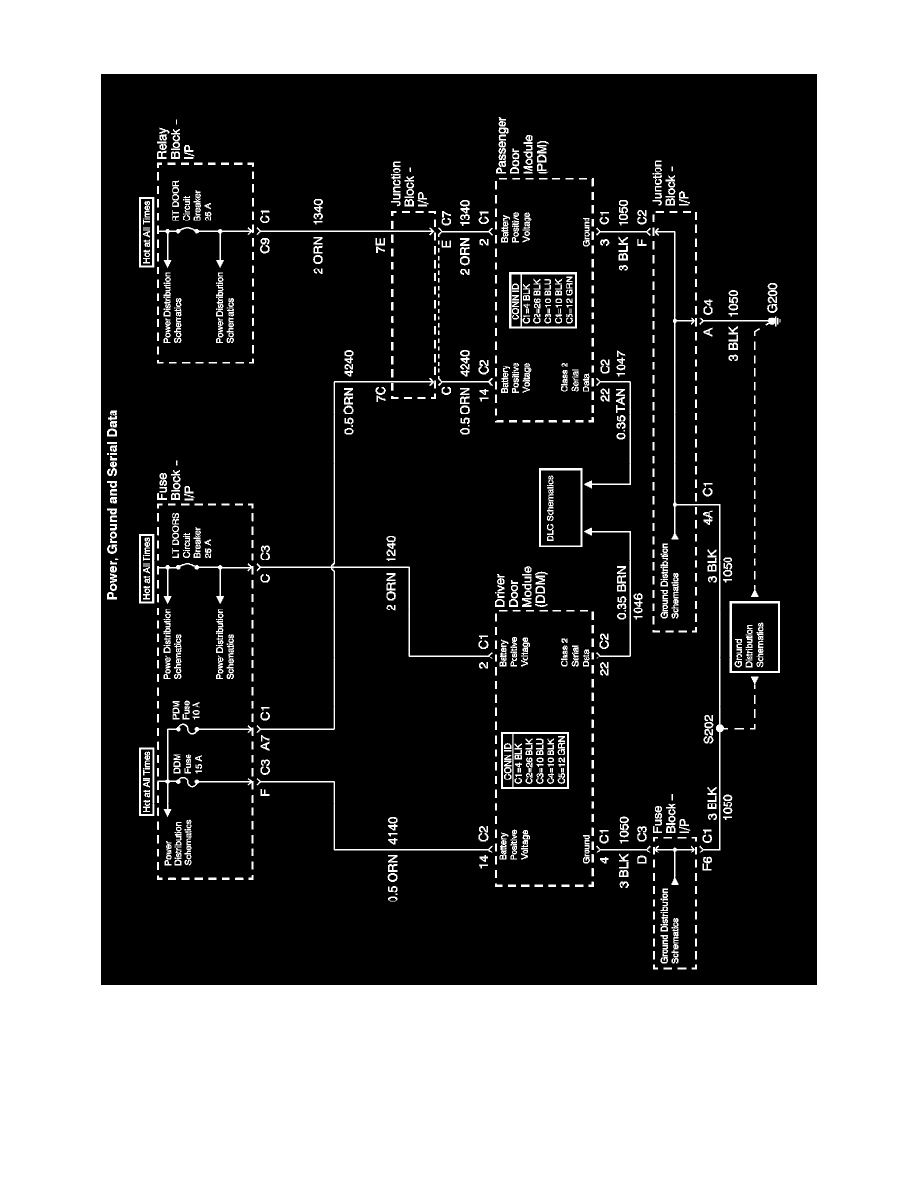
Door Module: Electrical Diagrams
Door Control Module Diagram 1
Body and Frame
Locks / Door Locks
Door Module / Component Information
Diagrams / Diagram Information and Instructions
Page 13909
Diagram Information and Instructions|Page 13910 >
< Diagram Information and Instructions|Page 13908