GMC Workshop Service and Repair Manuals
HOME
FEATURES
MENU
INDEX
ABOUT US
Diagram Information and Instructions|Page 12986 >
< Diagram Information and Instructions|Page 12984
Sierra 2500 2WD V8-6.0L VIN U (2004)
Body and Frame
Locks / Door Locks
Door Module / Component Information
Diagrams / Diagram Information and Instructions
Page 12985
Page 1
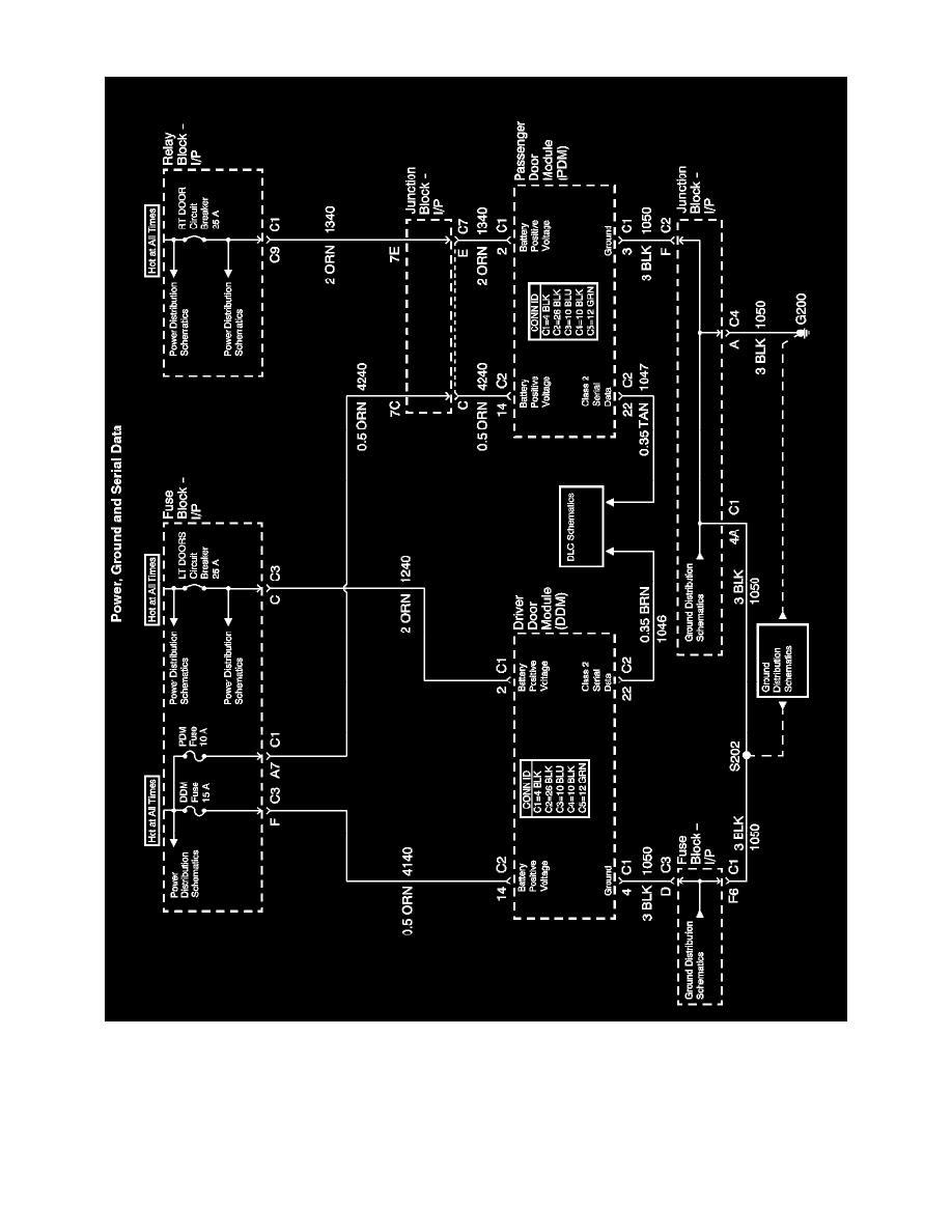
Door Module: Electrical Diagrams
Door Control Module Diagram 1
Body and Frame
Locks / Door Locks
Door Module / Component Information
Diagrams / Diagram Information and Instructions
Page 12985
Diagram Information and Instructions|Page 12986 >
< Diagram Information and Instructions|Page 12984