GMC Workshop Service and Repair Manuals
HOME
FEATURES
MENU
INDEX
ABOUT US
Lock Cylinder Switch|Locations|Page 1023 >
< Module Replacement - Rear Power Window|Page 1017
Sierra 2500 2WD V8-8.1L VIN G (2005)
Sensors and Switches
Sensors and Switches - Accessories and Optional Equipment
Lock Cylinder Switch
Component Information
Locations
Page 1
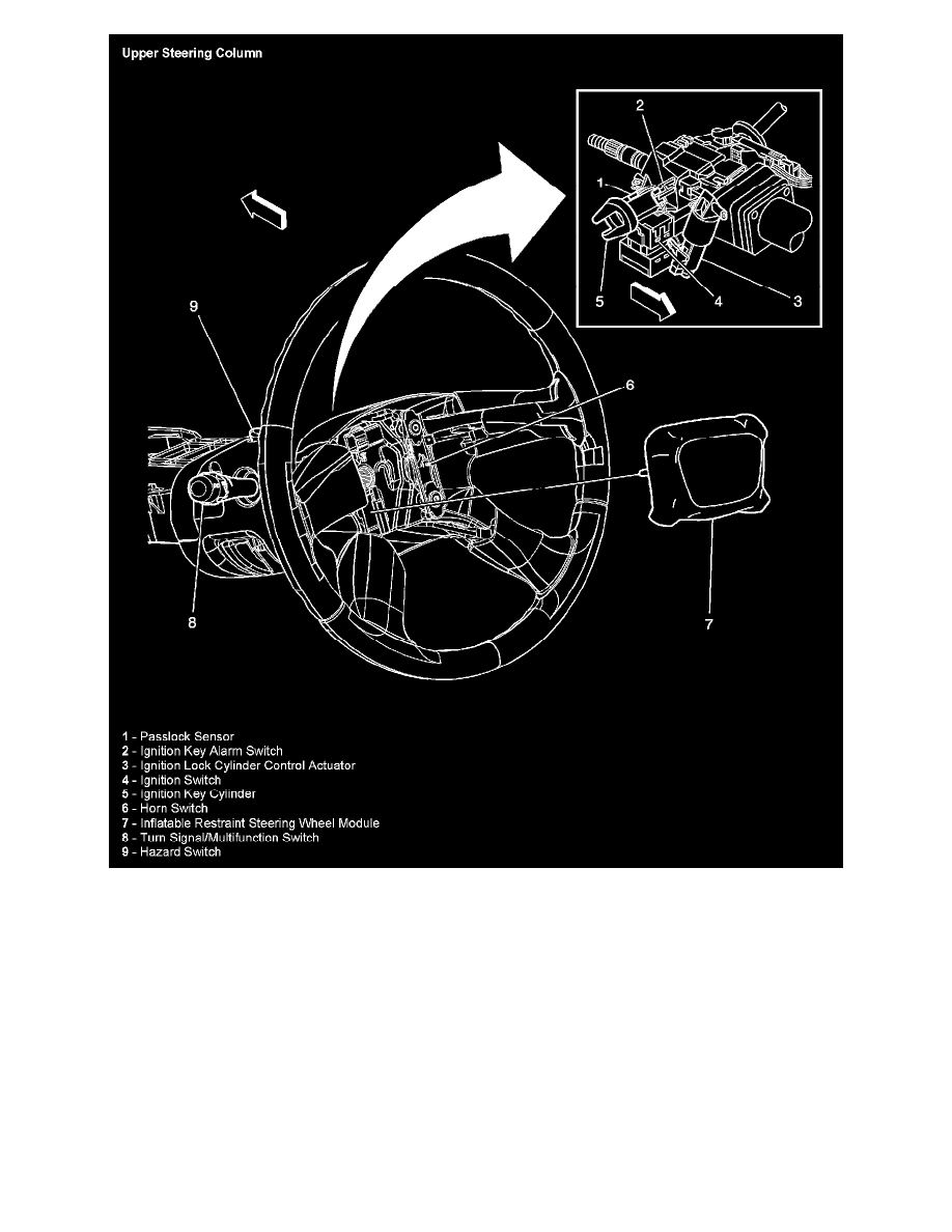
Upper Steering Column
Sensors and Switches
Sensors and Switches - Accessories and Optional Equipment
Lock Cylinder Switch
Component Information
Locations
Lock Cylinder Switch|Locations|Page 1023 >
< Module Replacement - Rear Power Window|Page 1017