GMC Workshop Service and Repair Manuals
HOME
FEATURES
MENU
INDEX
ABOUT US
Diagram Information and Instructions|Page 5841 >
< Diagram Information and Instructions|Page 5839
Suburban 3/4 Ton 4WD V8-393 6.5L DSL Turbo (1993)
Power and Ground Distribution
Relay Box / Component Information
Diagrams / Diagram Information and Instructions
Page 5840
Page 4
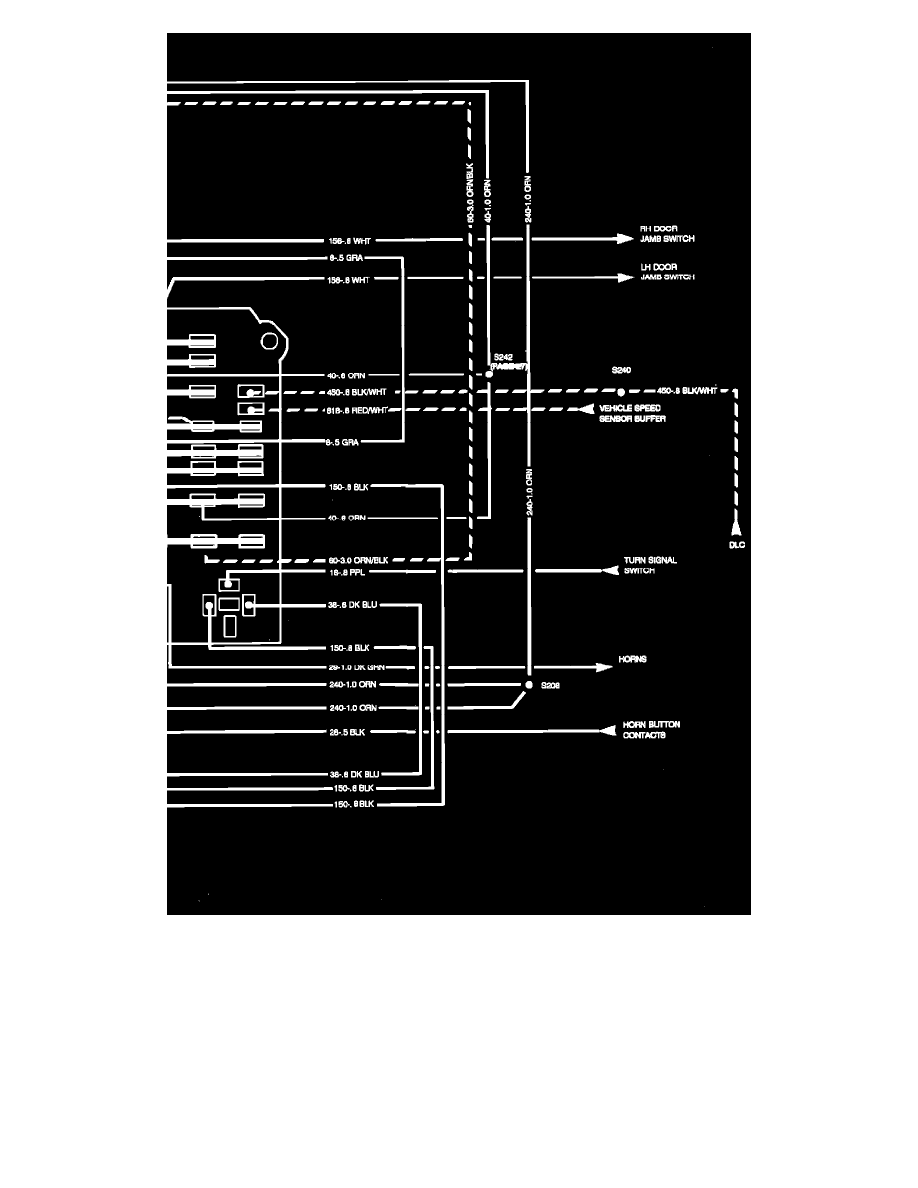
ConvenienceĀ Center
Power and Ground Distribution
Relay Box / Component Information
Diagrams / Diagram Information and Instructions
Page 5840
Diagram Information and Instructions|Page 5841 >
< Diagram Information and Instructions|Page 5839