GMC Workshop Service and Repair Manuals
HOME
FEATURES
MENU
INDEX
ABOUT US
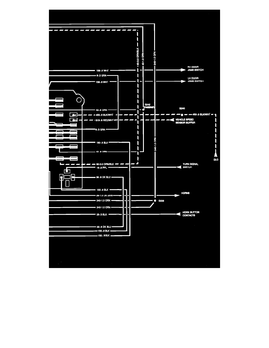
Wiring Harness >
< Diagram Information and Instructions|Page 5847
Suburban 3/4 Ton 4WD V8-393 6.5L DSL Turbo (1993)
Power and Ground Distribution
Relay Box / Component Information
Diagrams / Diagram Information and Instructions
Page 5848
Page 12
ConvenienceĀ Center
Power and Ground Distribution
Relay Box / Component Information
Diagrams / Diagram Information and Instructions
Page 5848
Wiring Harness >
< Diagram Information and Instructions|Page 5847