GMC Workshop Service and Repair Manuals
HOME
FEATURES
MENU
INDEX
ABOUT US
Lock Cylinder Switch|Locations|Page 1000 >
< Heated Glass Element Relay|Locations|Page 994
Yukon XL 2500 2WD V8-6.0L VIN N (2006)
Sensors and Switches
Sensors and Switches - Accessories and Optional Equipment
Lock Cylinder Switch
Component Information
Locations
Page 1
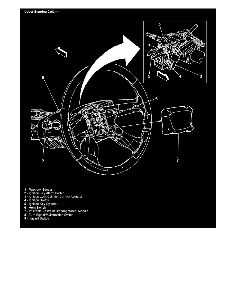
Upper Steering Column
Sensors and Switches
Sensors and Switches - Accessories and Optional Equipment
Lock Cylinder Switch
Component Information
Locations
Lock Cylinder Switch|Locations|Page 1000 >
< Heated Glass Element Relay|Locations|Page 994