Interior Lighting Module: Electrical Diagrams
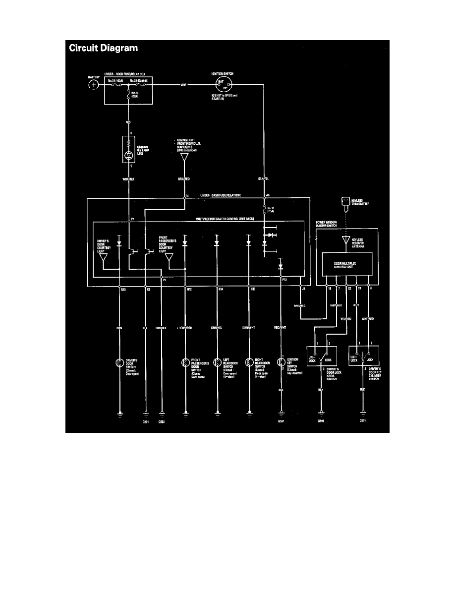
Entry Lights Control System - Circuit Diagram
Wiring Diagrams