Honda Workshop Service and Repair Manuals
HOME
FEATURES
MENU
INDEX
ABOUT US
Diagram Information and Instructions|Page 9146 >
< Diagram Information and Instructions|Page 9144
Accord L4-2156cc 2.2L SOHC (1991)
Instrument Panel, Gauges and Warning Indicators
Oil Pressure Warning Lamp/Indicator / Diagrams / Diagram Information and Instructions
Page 9145
Page 3
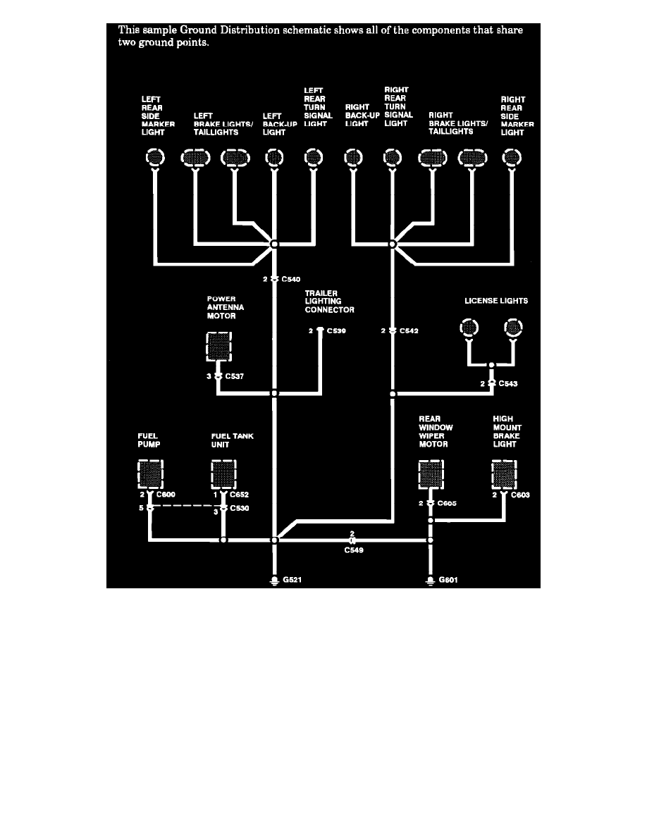
Ground Distribution Schematics
Instrument Panel, Gauges and Warning Indicators
Oil Pressure Warning Lamp/Indicator / Diagrams / Diagram Information and Instructions
Page 9145
Diagram Information and Instructions|Page 9146 >
< Diagram Information and Instructions|Page 9144