Honda Workshop Service and Repair Manuals
HOME
FEATURES
MENU
INDEX
ABOUT US
Diagram Information and Instructions|Page 9660 >
< Diagram Information and Instructions|Page 9658
Accord L4-2156cc 2.2L SOHC (1991)
Lighting and Horns
Daytime Running Lamp / Daytime Running Lamp Control Unit / Component Information
Diagrams / Diagram Information and Instructions
Page 9659
Page 3
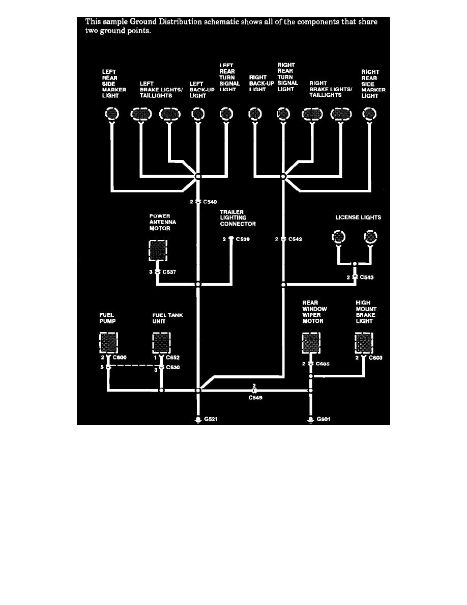
Ground Distribution Schematics
Lighting and Horns
Daytime Running Lamp / Daytime Running Lamp Control Unit / Component Information
Diagrams / Diagram Information and Instructions
Page 9659
Diagram Information and Instructions|Page 9660 >
< Diagram Information and Instructions|Page 9658