Honda Workshop Service and Repair Manuals
HOME
FEATURES
MENU
INDEX
ABOUT US
Diagram Information and Instructions|Page 1573 >
< Diagram Information and Instructions|Page 1571
Accord L4-2156cc 2.2L SOHC (1991)
Maintenance
Fuses and Circuit Breakers / Fuse / Diagrams / Diagram Information and Instructions
Page 1572
Page 3
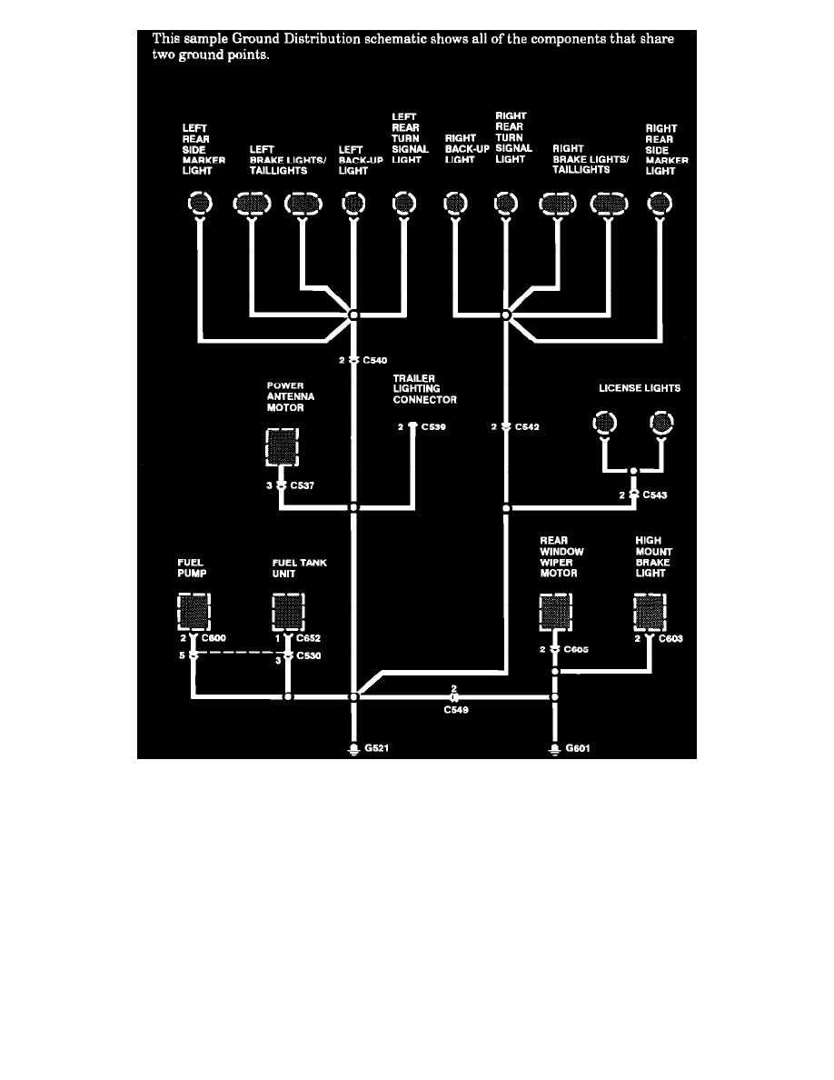
Ground Distribution Schematics
Maintenance
Fuses and Circuit Breakers / Fuse / Diagrams / Diagram Information and Instructions
Page 1572
Diagram Information and Instructions|Page 1573 >
< Diagram Information and Instructions|Page 1571