Honda Workshop Service and Repair Manuals
HOME
FEATURES
MENU
INDEX
ABOUT US
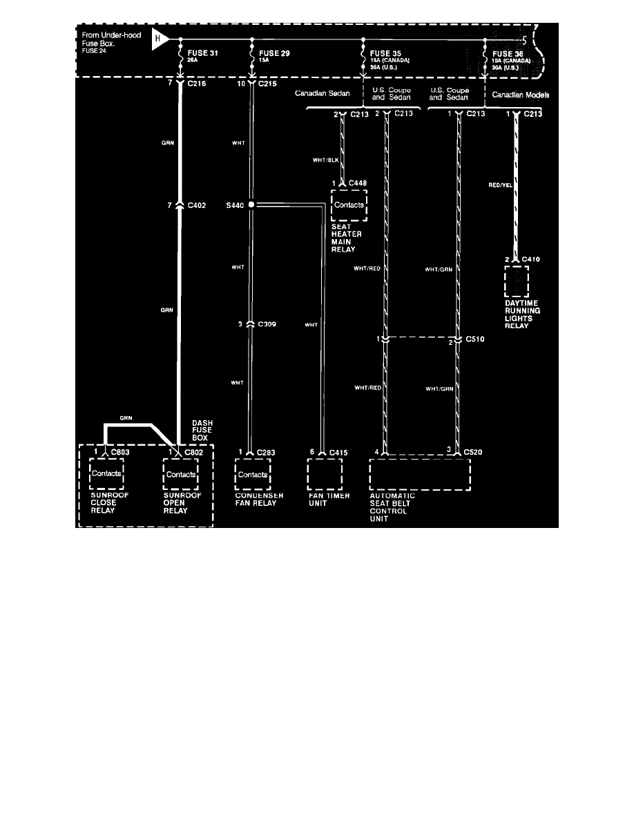
Diagram Information and Instructions|Page 6236 >
< Diagram Information and Instructions|Page 6234
Accord L4-2156cc 2.2L SOHC (1991)
Starting and Charging
Power and Ground Distribution / Fuse / Diagrams / Diagram Information and Instructions
Page 6235
Page 47
Power Distribution
Starting and Charging
Power and Ground Distribution / Fuse / Diagrams / Diagram Information and Instructions
Page 6235
Diagram Information and Instructions|Page 6236 >
< Diagram Information and Instructions|Page 6234