Honda Workshop Service and Repair Manuals
HOME
FEATURES
MENU
INDEX
ABOUT US
Diagram Information and Instructions|Page 6240 >
< Diagram Information and Instructions|Page 6238
Accord L4-2156cc 2.2L SOHC (1991)
Starting and Charging
Power and Ground Distribution / Fuse / Diagrams / Diagram Information and Instructions
Page 6239
Page 51
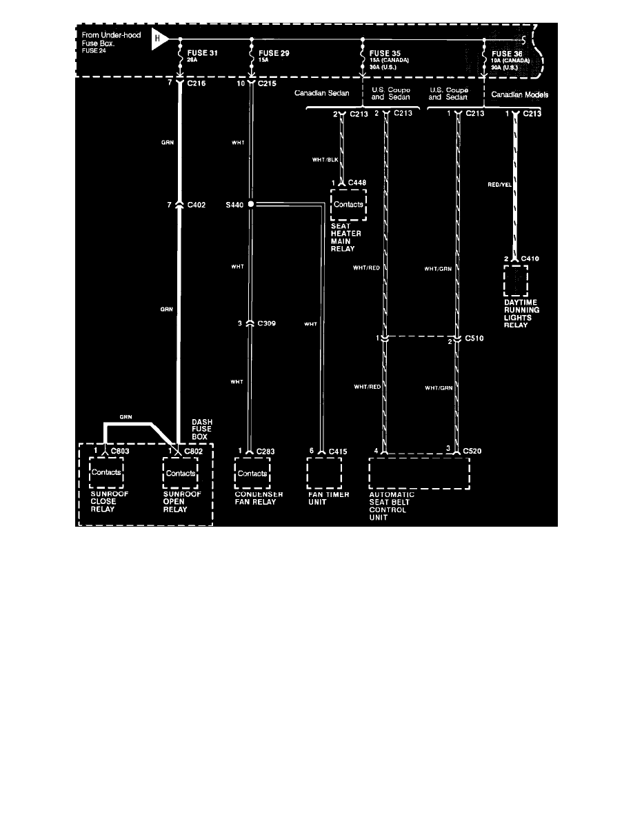
Power Distribution
Starting and Charging
Power and Ground Distribution / Fuse / Diagrams / Diagram Information and Instructions
Page 6239
Diagram Information and Instructions|Page 6240 >
< Diagram Information and Instructions|Page 6238