Honda Workshop Service and Repair Manuals
HOME
FEATURES
MENU
INDEX
ABOUT US
Diagram Information and Instructions|Page 12325 >
< Diagram Information and Instructions|Page 12323
Accord Sedan L4-2.2L SOHC VTEC (1995)
Lighting and Horns
Trunk Lamp / Diagrams / Diagram Information and Instructions
Page 12324
Page 5
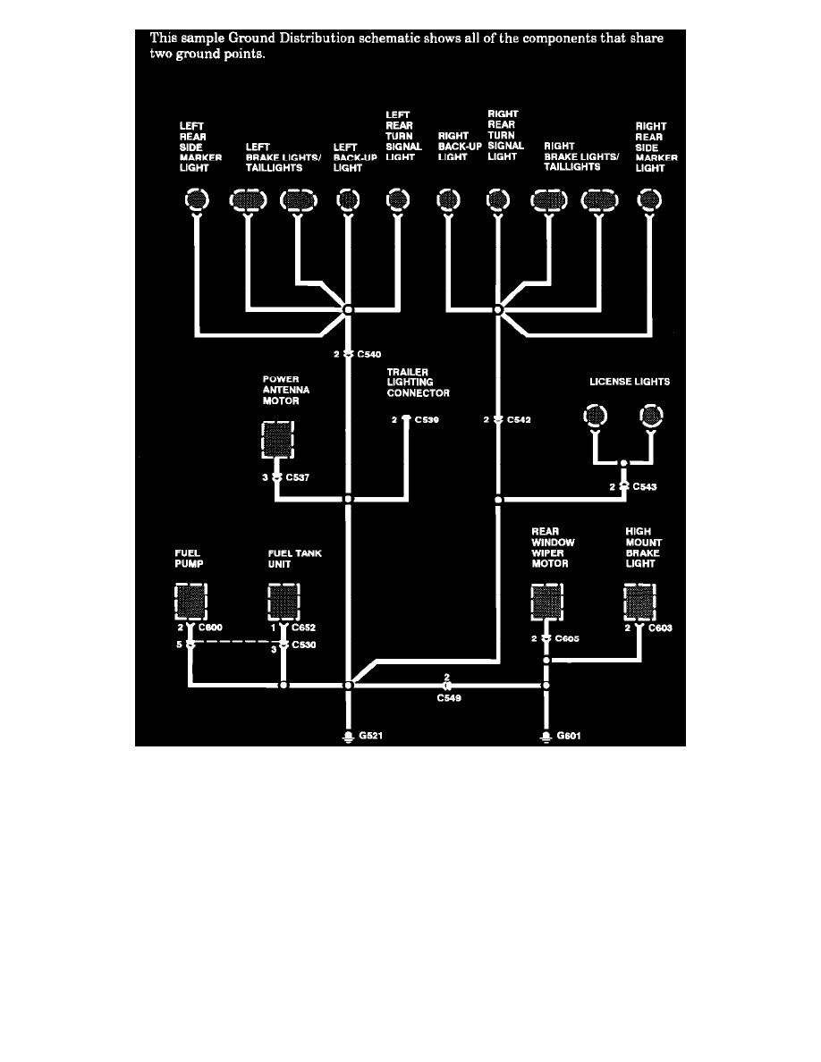
Ground Distribution Schematics
Alternate View
Lighting and Horns
Trunk Lamp / Diagrams / Diagram Information and Instructions
Page 12324
Diagram Information and Instructions|Page 12325 >
< Diagram Information and Instructions|Page 12323