Honda Workshop Service and Repair Manuals
HOME
FEATURES
MENU
INDEX
ABOUT US
Diagram Information and Instructions|Page 6401 >
< Diagram Information and Instructions|Page 6399
Civic L4-1590cc 1.6L SOHC (VTEC) (1992)
Body and Frame
Locks / Door Locks / Component Information
Diagrams / Diagram Information and Instructions
Page 6400
Page 1
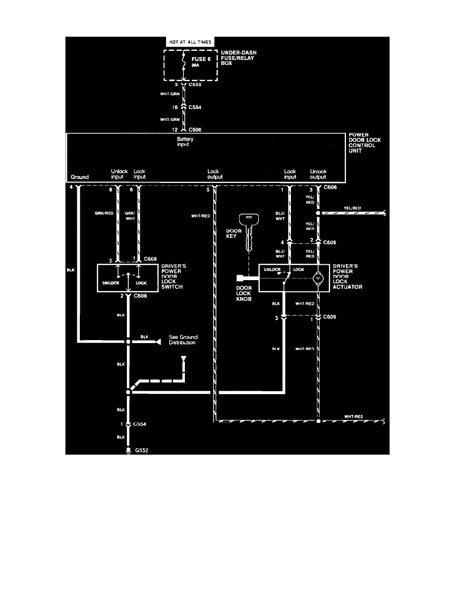
Door Locks: Electrical Diagrams
Power Door Locks
Body and Frame
Locks / Door Locks / Component Information
Diagrams / Diagram Information and Instructions
Page 6400
Diagram Information and Instructions|Page 6401 >
< Diagram Information and Instructions|Page 6399