Honda Workshop Service and Repair Manuals
HOME
FEATURES
MENU
INDEX
ABOUT US
Diagram Information and Instructions|Page 4453 >
< Diagram Information and Instructions|Page 4451
Civic L4-1590cc 1.6L SOHC (VTEC) (1992)
Starting and Charging
Charging System / Alternator / Component Information
Diagrams / Diagram Information and Instructions
Page 4452
Page 3
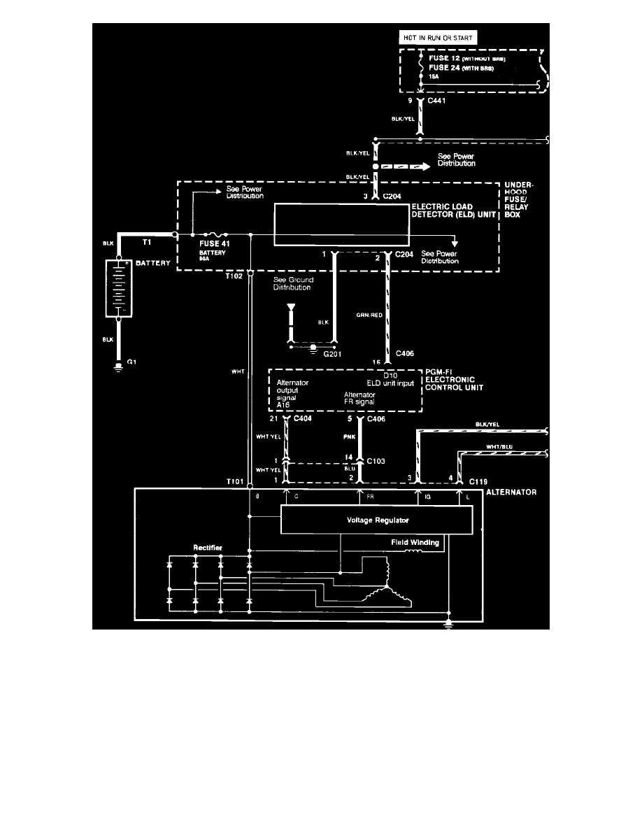
Charging System
Starting and Charging
Charging System / Alternator / Component Information
Diagrams / Diagram Information and Instructions
Page 4452
Diagram Information and Instructions|Page 4453 >
< Diagram Information and Instructions|Page 4451