Honda Workshop Service and Repair Manuals
HOME
FEATURES
MENU
INDEX
ABOUT US
Air Mix Control Motor|Page 6676 >
< Air Mix Control Motor
Civic CX Hatchback L4-1590cc 1.6L SOHC MFI (1997)
Heating and Air Conditioning
Air Door, HVAC / Air Door Actuator / Motor, HVAC / Air Mix Control Motor
Page 6675
Page 1
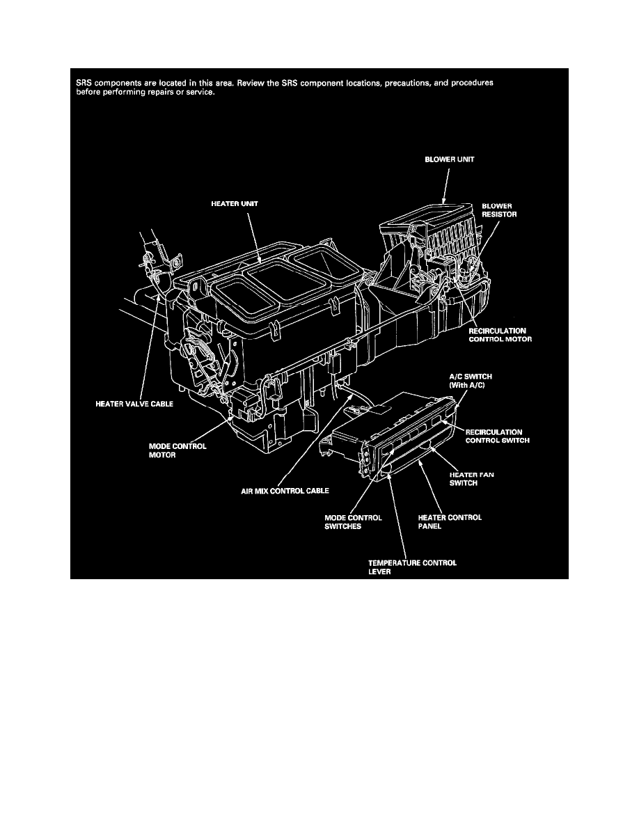
Air Door Actuator / Motor: Locations
Mode Control Motor
Heating and Air Conditioning
Air Door, HVAC / Air Door Actuator / Motor, HVAC / Air Mix Control Motor
Page 6675
Air Mix Control Motor|Page 6676 >
< Air Mix Control Motor