Honda Workshop Service and Repair Manuals
HOME
FEATURES
MENU
INDEX
ABOUT US
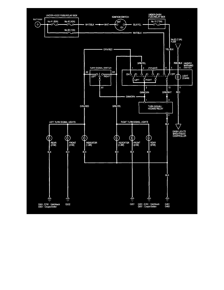
Turn Signal Lamp >
< Diagram Information and Instructions|Page 9125
Civic CX Hatchback L4-1590cc 1.6L SOHC MFI (1997)
Lighting and Horns
Turn Signals
Turn Signal Flasher / Diagrams / Diagram Information and Instructions
Page 9126
Page 1
Lighting and Horns
Turn Signals
Turn Signal Flasher / Diagrams / Diagram Information and Instructions
Page 9126
Turn Signal Lamp >
< Diagram Information and Instructions|Page 9125