Honda Workshop Service and Repair Manuals
HOME
FEATURES
MENU
INDEX
ABOUT US
Diagram Information and Instructions|Page 8768 >
< Diagram Information and Instructions|Page 8766
Civic DX Sedan L4-1590cc 1.6L SOHC MFI (1999)
Lighting and Horns
Courtesy Lamp / Component Information
Diagrams / Diagram Information and Instructions
Page 8767
Page 2
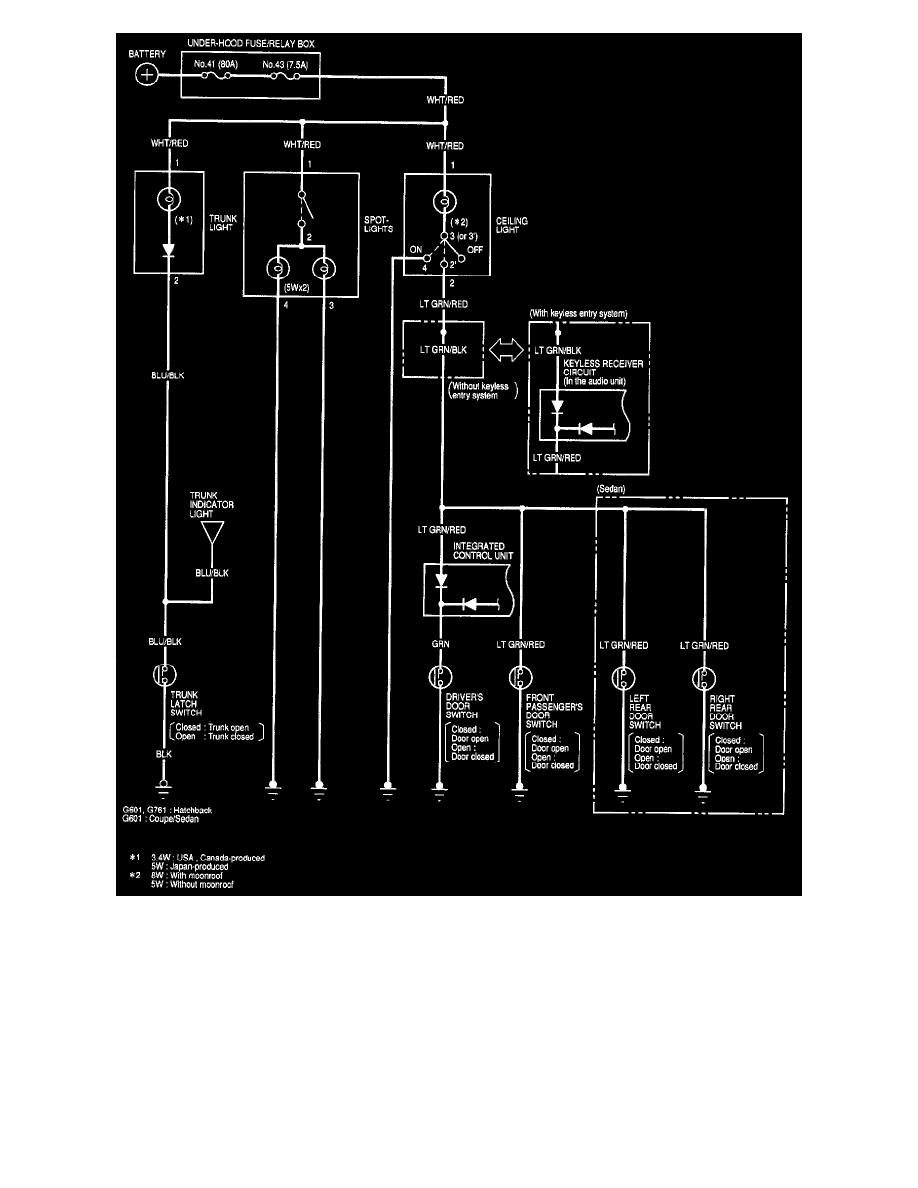
Interior Lights (With Spotlights)
Lighting and Horns
Courtesy Lamp / Component Information
Diagrams / Diagram Information and Instructions
Page 8767
Diagram Information and Instructions|Page 8768 >
< Diagram Information and Instructions|Page 8766