Honda Workshop Service and Repair Manuals
HOME
FEATURES
MENU
INDEX
ABOUT US
Diagram Information and Instructions|Page 6149 >
< Diagram Information and Instructions|Page 6147
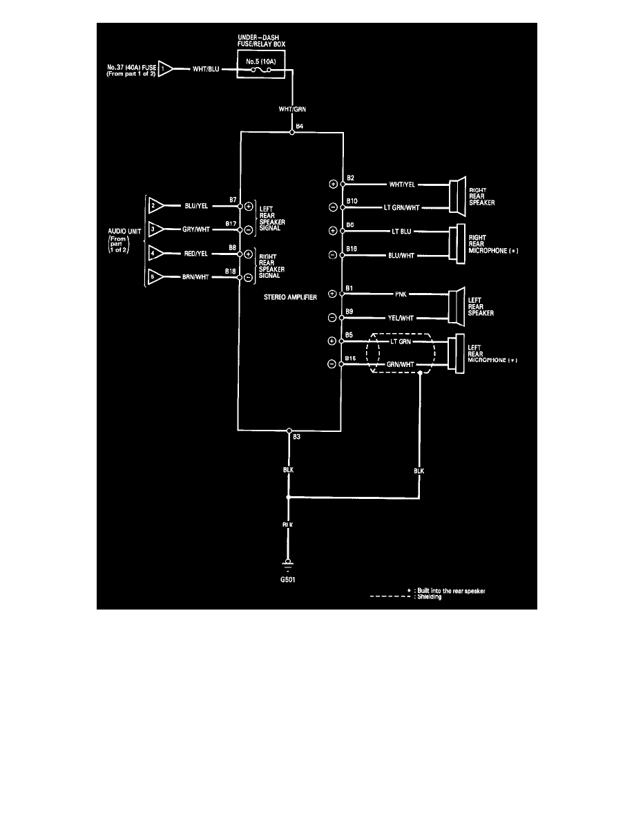
Prelude L4-2157cc 2.2L DOHC (VTEC) MFI (2001)
Accessories and Optional Equipment
Radio, Stereo, and Compact Disc
Radio/Stereo / Component Information
Diagrams / Diagram Information and Instructions
Page 6148
Page 2
Accessories and Optional Equipment
Radio, Stereo, and Compact Disc
Radio/Stereo / Component Information
Diagrams / Diagram Information and Instructions
Page 6148
Diagram Information and Instructions|Page 6149 >
< Diagram Information and Instructions|Page 6147