Hyundai Workshop Service and Repair Manuals
HOME
FEATURES
MENU
INDEX
ABOUT US
A/T - Driveability Concerns|Page 6389 >
< A/T - Driveability Concerns|Page 6387
Accent GS Coupe L4-1495cc 1.5L SOHC MFI (1999)
Transmission and Drivetrain
Automatic Transmission/Transaxle
Shifter A/T / Technical Service Bulletins
Page 6388
Page 1
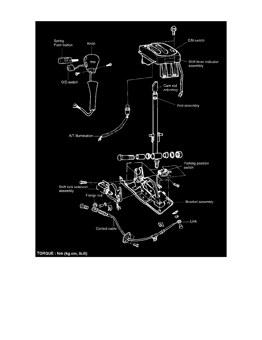
Shifter A/T: Service and Repair
TRANSAXLE CONTROL
REMOVAL
1. Remove the console box assembly.
Transmission and Drivetrain
Automatic Transmission/Transaxle
Shifter A/T / Technical Service Bulletins
Page 6388
A/T - Driveability Concerns|Page 6389 >
< A/T - Driveability Concerns|Page 6387