Hyundai Workshop Service and Repair Manuals
HOME
FEATURES
MENU
INDEX
ABOUT US
Diagram Information and Instructions|Page 613 >
< Fuses and Circuit Breakers|Locations|Page 608
Genesis Coupe V6-3.8L (2011)
Maintenance
Fuses and Circuit Breakers
Fuse Block
Component Information
Diagrams
Diagram Information and Instructions
Page 1
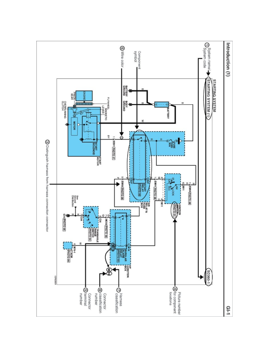
Fuse Block: Diagram Information and Instructions
Schematic Diagrams
INTRODUCTION
Maintenance
Fuses and Circuit Breakers
Fuse Block
Component Information
Diagrams
Diagram Information and Instructions
Diagram Information and Instructions|Page 613 >
< Fuses and Circuit Breakers|Locations|Page 608