hyundai Workshop Repair Guides

Hyundai Workshop Service and Repair Manuals

Diagram Information and Instructions|Page 2733 > < Front Door Switch (LH)|Page 2728
Page 1
background image

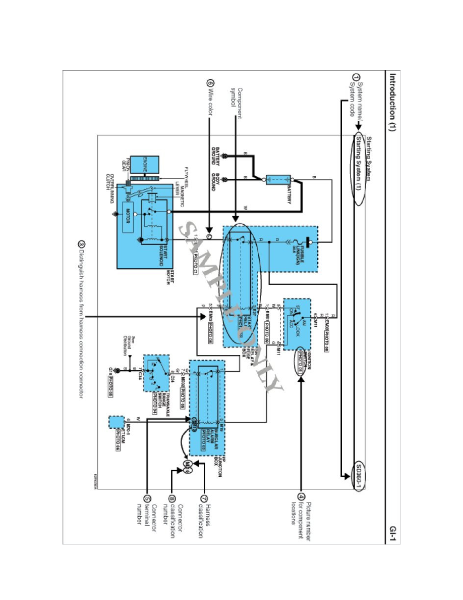
Driver/Vehicle Information Display: Diagram Information and Instructions

Schematic Diagrams

INTRODUCTION

Diagram Information and Instructions|Page 2733 > < Front Door Switch (LH)|Page 2728