Hyundai Workshop Service and Repair Manuals
HOME
FEATURES
MENU
INDEX
ABOUT US
Diagram Information and Instructions|Page 2758 >
< Driver / Vehicle Information Display Switch|Locations
Genesis Sedan V8-4.6L (2011)
Instrument Panel, Gauges and Warning Indicators
Instrument Cluster / Carrier
Component Information
Diagrams
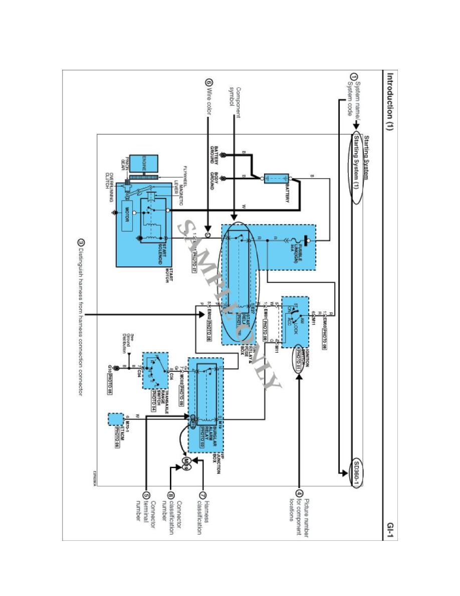
Diagram Information and Instructions
Page 1
Instrument Cluster / Carrier: Diagram Information and Instructions
Schematic Diagrams
INTRODUCTION
Instrument Panel, Gauges and Warning Indicators
Instrument Cluster / Carrier
Component Information
Diagrams
Diagram Information and Instructions
Diagram Information and Instructions|Page 2758 >
< Driver / Vehicle Information Display Switch|Locations