Hyundai Workshop Service and Repair Manuals
HOME
FEATURES
MENU
INDEX
ABOUT US
Diagram Information and Instructions|Page 749 >
< Engine - Coolant Temperature Sensor/Switch|Locations
Genesis Sedan V8-4.6L (2011)
Powertrain Management
Relays and Modules - Powertrain Management
Relays and Modules - Computers and Control Systems
Body Control Module
Component Information
Diagrams
Diagram Information and Instructions
Page 1
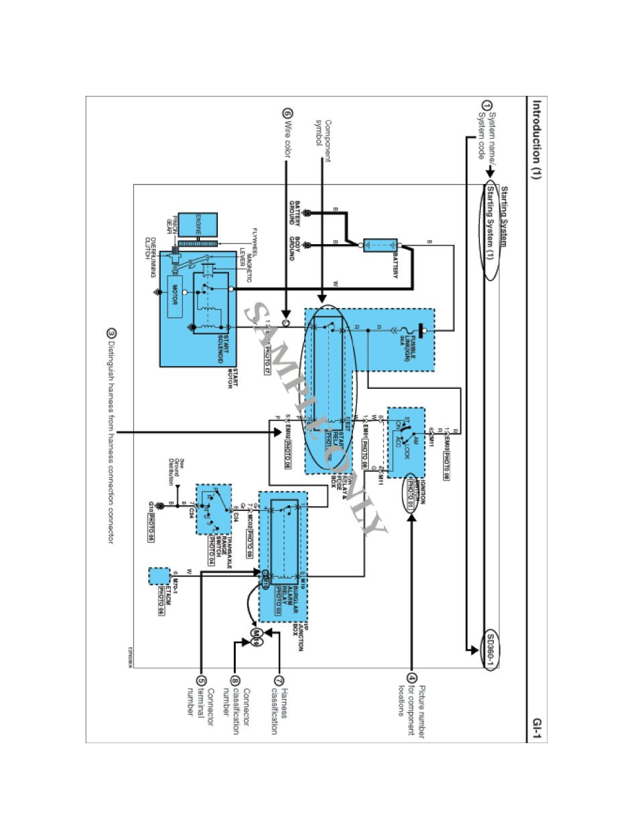
Body Control Module: Diagram Information and Instructions
Schematic Diagrams
INTRODUCTION
Powertrain Management
Relays and Modules - Powertrain Management
Relays and Modules - Computers and Control Systems
Body Control Module
Component Information
Diagrams
Diagram Information and Instructions
Diagram Information and Instructions|Page 749 >
< Engine - Coolant Temperature Sensor/Switch|Locations