Hyundai Workshop Service and Repair Manuals
HOME
FEATURES
MENU
INDEX
ABOUT US
Diagram Information and Instructions|Page 1278 >
< Transmission Mode Switch, A/T|Locations
Genesis Sedan V8-4.6L (2011)
Transmission and Drivetrain
Automatic Transmission/Transaxle
Shift Interlock, A/T
Component Information
Diagrams
Diagram Information and Instructions
Page 1
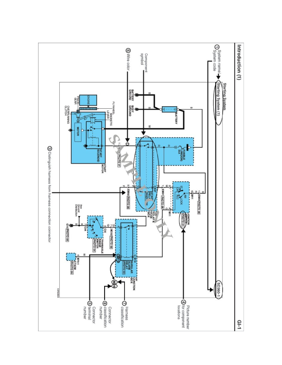
Shift Interlock: Diagram Information and Instructions
Schematic Diagrams
INTRODUCTION
Transmission and Drivetrain
Automatic Transmission/Transaxle
Shift Interlock, A/T
Component Information
Diagrams
Diagram Information and Instructions
Diagram Information and Instructions|Page 1278 >
< Transmission Mode Switch, A/T|Locations