hyundai Workshop Repair Guides

Hyundai Workshop Service and Repair Manuals

Diagram Information and Instructions|Page 7475 > < Diagram Information and Instructions|Page 7473
Page 4
background image

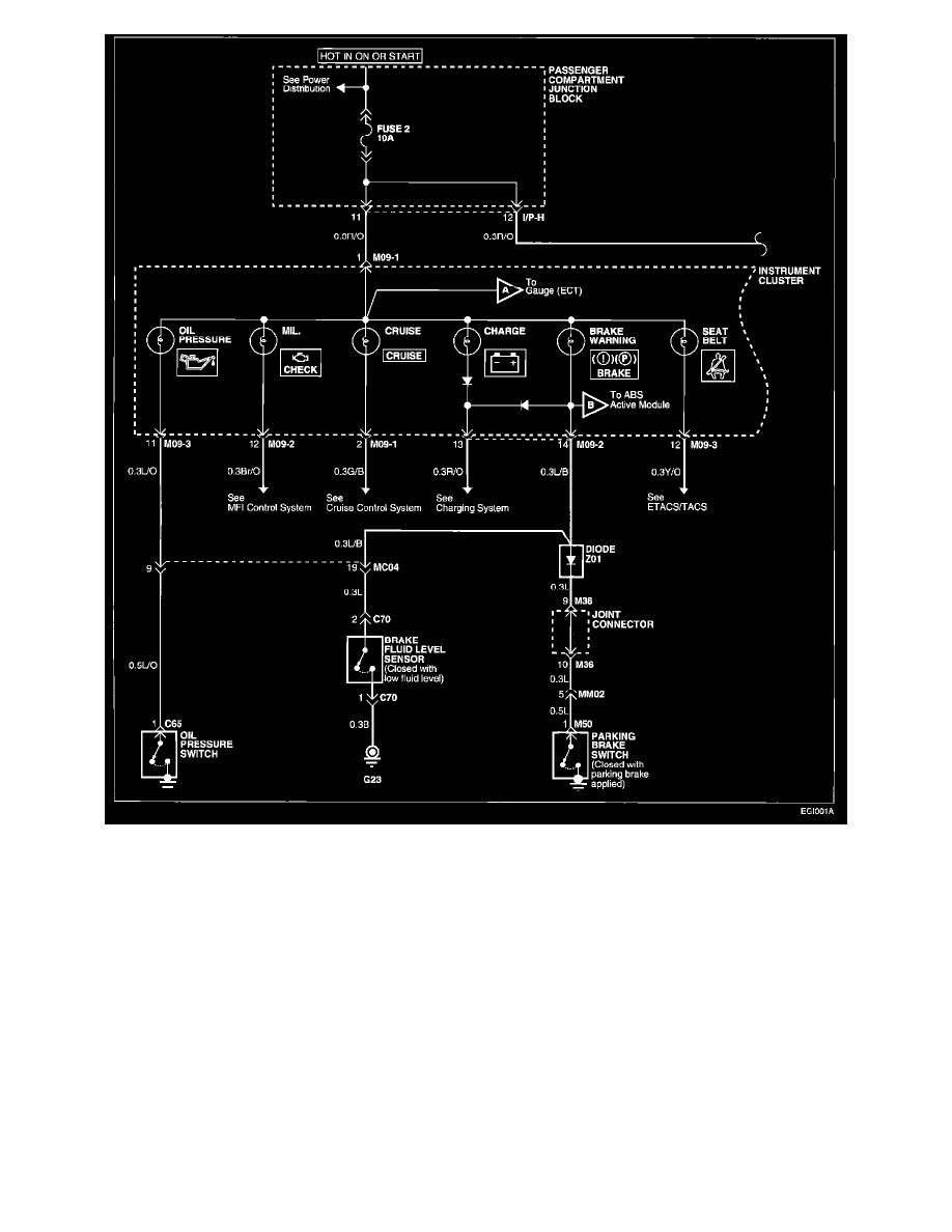
The starting point of each system section is the schematic diagram. These diagrams show how all the components work together, such as electrical
current paths from power source to ground(via electrical load), switch connections at each position, and other related circuit functions.

It is important to fully understand how a circuit works prior to troubleshooting and diagnosis.

Diagram Information and Instructions|Page 7475 > < Diagram Information and Instructions|Page 7473