Tiburon V6-2.7L (2004)
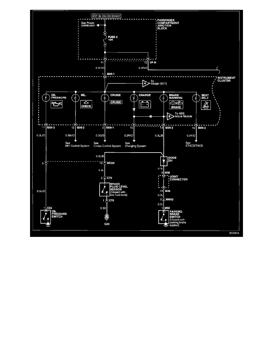
The starting point of each system section is the schematic diagram. These diagrams show how all the components work together, such as electrical
current paths from power source to ground(via electrical load), switch connections at each position, and other related circuit functions.
It is important to fully understand how a circuit works prior to troubleshooting and diagnosis.
