Hyundai Workshop Service and Repair Manuals
HOME
FEATURES
MENU
INDEX
ABOUT US
Exploded Views|Page 6689 >
< Component Locations|Page 6686
Tiburon V6-2.7L (2004)
Heating and Air Conditioning
Blower Motor / Component Information
Diagrams
Exploded Views
Page 1
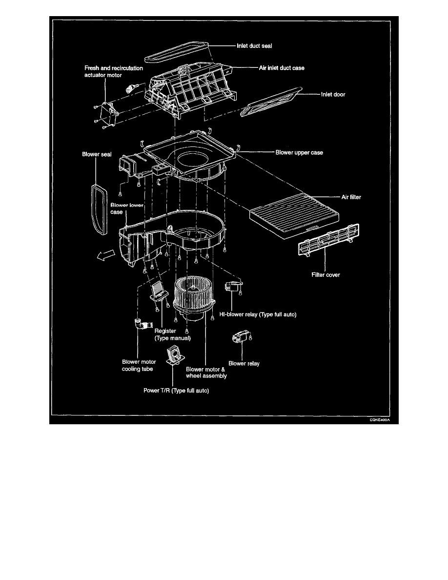
Blower Unit
Heating and Air Conditioning
Blower Motor / Component Information
Diagrams
Exploded Views
Exploded Views|Page 6689 >
< Component Locations|Page 6686