Tucson AWD L4-2.4L (2010)

Compressor HVAC: Diagram Information and Instructions
Schematic Diagrams
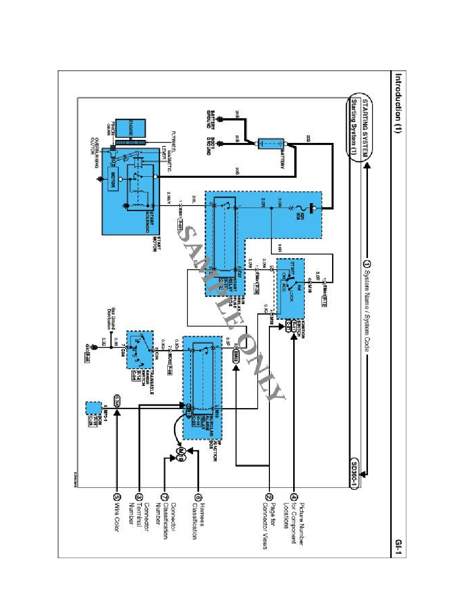
INTRODUCTION
1. System Name / System Code
Compressor HVAC: Diagram Information and Instructions
Schematic Diagrams
INTRODUCTION
1. System Name / System Code