Infiniti Workshop Service and Repair Manuals
HOME
FEATURES
MENU
INDEX
ABOUT US
Diagram Information and Instructions|Page 7087 >
< Diagram Information and Instructions|Page 7085
J30 V6-2960cc 3.0L DOHC (VG30DE) (1995)
Starting and Charging
Power and Ground Distribution
Multiple Junction Connector / Component Information
Diagrams / Diagram Information and Instructions
Page 7086
Page 1
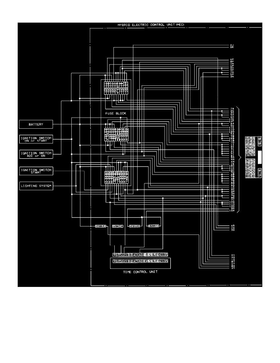
Multiple Junction Connector: Electrical Diagrams
Starting and Charging
Power and Ground Distribution
Multiple Junction Connector / Component Information
Diagrams / Diagram Information and Instructions
Page 7086
Diagram Information and Instructions|Page 7087 >
< Diagram Information and Instructions|Page 7085