Infiniti M35 Workshop Repair Manuals - VQ35HR V6-35L Engine
HOME
FEATURES
MENU
INDEX
ABOUT US
Diagram Information and Instructions|Page 4938 >
< Diagram Information and Instructions|Page 4936
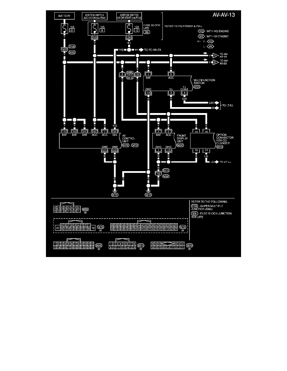
M35 V6-35L (VQ35HR) (2009) DVD Player Component Diagrams - Page 4937
Accessories and Optional Equipment
Entertainment Systems / DVD Player / Diagrams / Diagram Information and Instructions
Page 4937
Page 31
Accessories and Optional Equipment
Entertainment Systems / DVD Player / Diagrams / Diagram Information and Instructions
Page 4937
Diagram Information and Instructions|Page 4938 >
< Diagram Information and Instructions|Page 4936