Infiniti Workshop Service and Repair Manuals
HOME
FEATURES
MENU
INDEX
ABOUT US
Combination Switch|Testing and Inspection >
< Diagram Information and Instructions|Page 6475
M35 V6-3.5L (VQ35HR) (2009)
Lighting and Horns
Turn Signals / Combination Switch / Component Information
Diagrams / Diagram Information and Instructions
Page 6476
Page 1
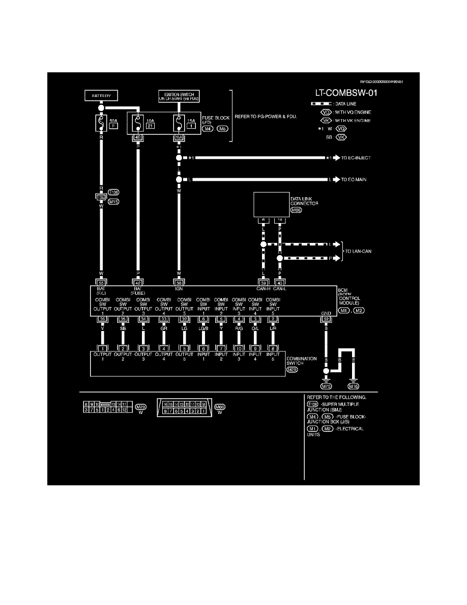
Combination Switch: Electrical Diagrams
COMBINATION SWITCH
Wiring Diagram - COMB SW -
Lighting and Horns
Turn Signals / Combination Switch / Component Information
Diagrams / Diagram Information and Instructions
Page 6476
Combination Switch|Testing and Inspection >
< Diagram Information and Instructions|Page 6475