Jaguar Workshop Service and Repair Manuals
HOME
FEATURES
MENU
INDEX
ABOUT US
Diagram Information and Instructions|Page 4089 >
< Diagram Information and Instructions|Page 4087
XJ-S Convertible (XJ27) L6-4.0L (1996)
Lighting and Horns
Trunk Lamp / Diagrams / Diagram Information and Instructions
Page 4088
Page 1
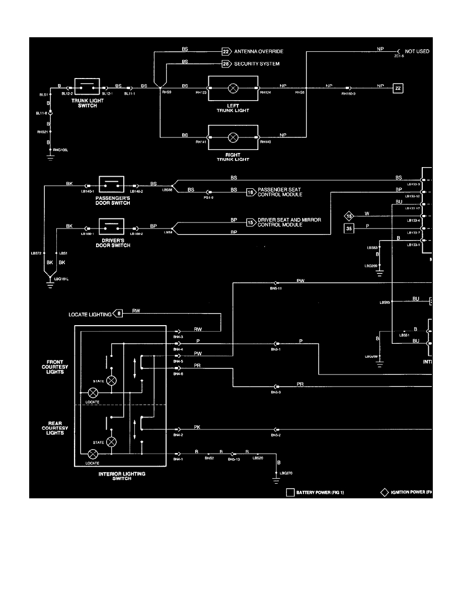
Trunk Lamp: Electrical Diagrams
Lighting and Horns
Trunk Lamp / Diagrams / Diagram Information and Instructions
Page 4088
Diagram Information and Instructions|Page 4089 >
< Diagram Information and Instructions|Page 4087