Jaguar Workshop Service and Repair Manuals
HOME
FEATURES
MENU
INDEX
ABOUT US
Diagram Information and Instructions|Page 7714 >
< Diagram Information and Instructions|Page 7712
XJ (X350) V8-4.2L (2005)
Body and Frame
Roof and Associated Components / Sunroof / Moonroof / Sun Shade / Diagrams / Diagram Information and Instructions
Page 7713
Page 1
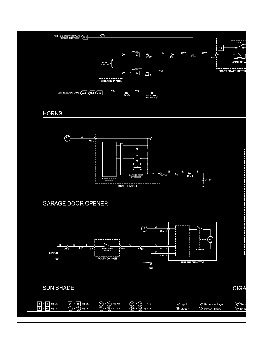
Sun Shade: Electrical Diagrams
Ancillaries: Part 2
Body and Frame
Roof and Associated Components / Sunroof / Moonroof / Sun Shade / Diagrams / Diagram Information and Instructions
Page 7713
Diagram Information and Instructions|Page 7714 >
< Diagram Information and Instructions|Page 7712