Jeep Workshop Service and Repair Manuals
HOME
FEATURES
MENU
INDEX
ABOUT US
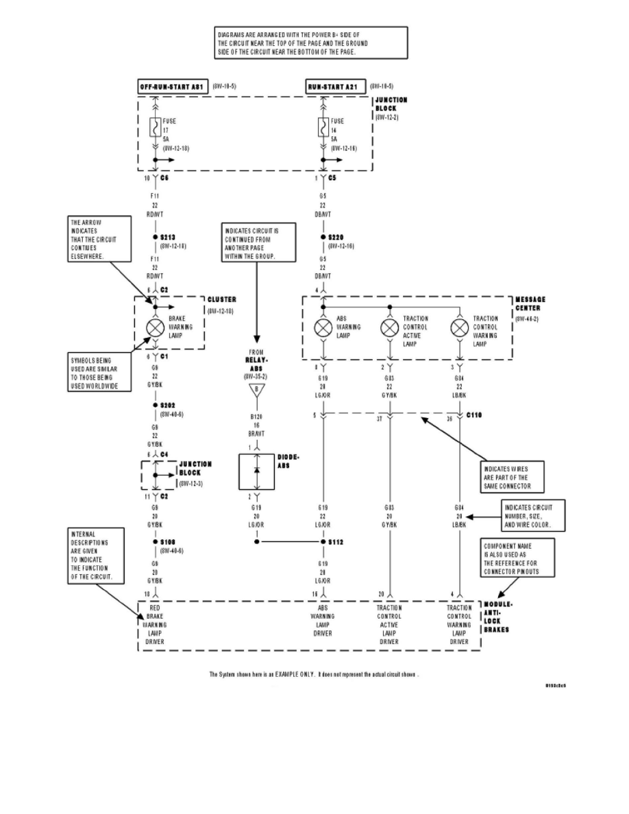
Diagram Information and Instructions|Page 3345 >
< Diagram Information and Instructions
Compass 2WD L4-2.0L VIN 0 (2007)
Powertrain Management
Computers and Control Systems
Vehicle Speed Sensor / Diagrams / Diagram Information and Instructions
Page 3344
Page 2
Powertrain Management
Computers and Control Systems
Vehicle Speed Sensor / Diagrams / Diagram Information and Instructions
Page 3344
Diagram Information and Instructions|Page 3345 >
< Diagram Information and Instructions