Jeep Workshop Service and Repair Manuals
HOME
FEATURES
MENU
INDEX
ABOUT US
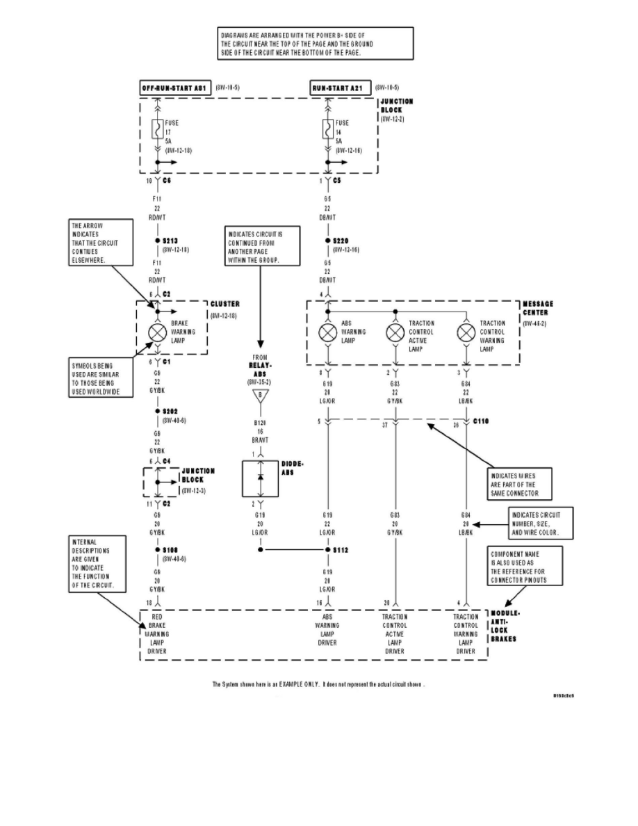
Diagram Information and Instructions|Page 3073 >
< Diagram Information and Instructions
Compass 2WD L4-2.4L (2008)
Powertrain Management
Computers and Control Systems
Information Bus / Diagrams / Diagram Information and Instructions
Page 3072
Page 2
Powertrain Management
Computers and Control Systems
Information Bus / Diagrams / Diagram Information and Instructions
Page 3072
Diagram Information and Instructions|Page 3073 >
< Diagram Information and Instructions