Compass 4WD L4-2.0L (2009)
Manifold Pressure/Vacuum Sensor: Testing and Inspection
CHECKING THE MAP SENSOR OPERATION
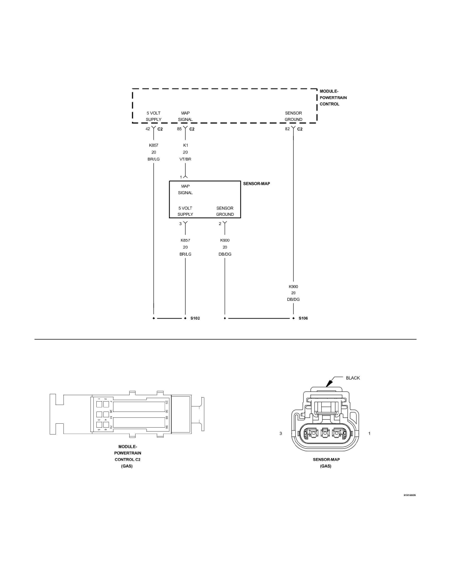
For a complete wiring diagram refer to the Wiring Information See: Diagrams/Electrical Diagrams.
1. MAP SENSOR WIRING OR CONNECTORS
