Jeep Workshop Service and Repair Manuals
HOME
FEATURES
MENU
INDEX
ABOUT US
Sensors and Switches - Windows and Glass >
< Four Wheel Drive Selector Switch|Locations|Page 1261
Compass 4WD L4-2.4L (2008)
Sensors and Switches
Sensors and Switches - Transmission and Drivetrain
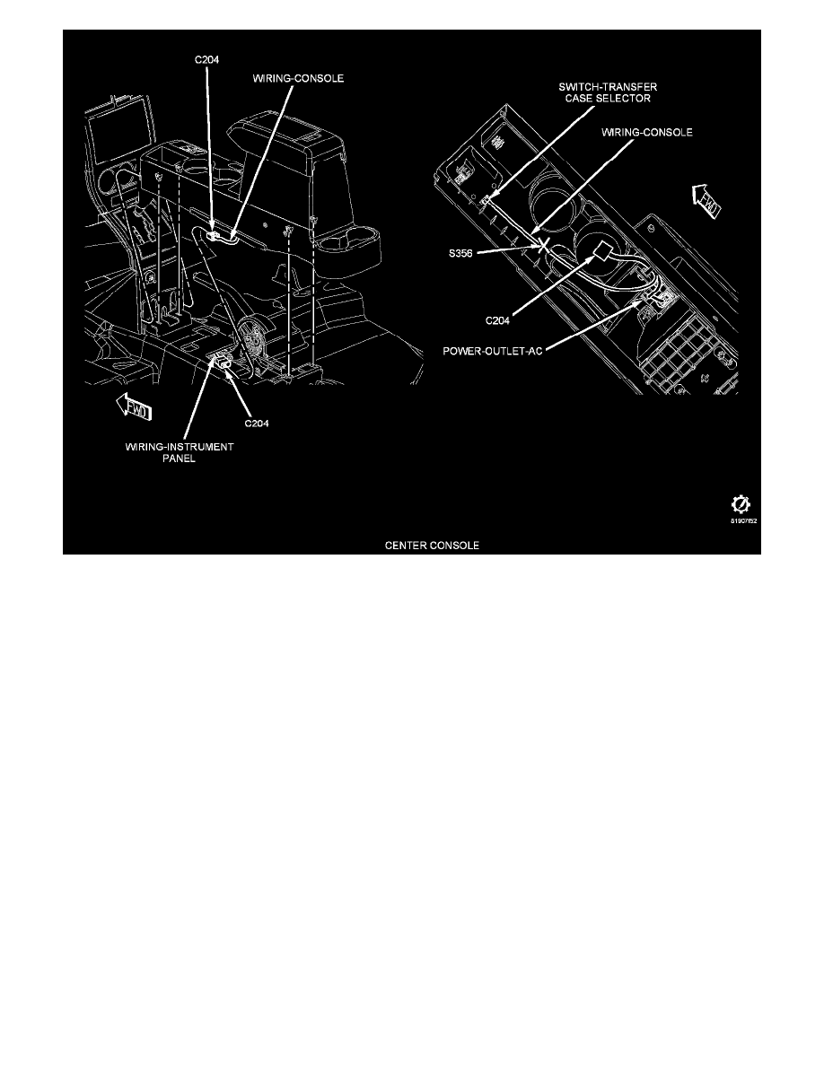
Sensors and Switches - Transfer Case / Four Wheel Drive Selector Switch / Locations
Page 1262
Page 2
Sensors and Switches
Sensors and Switches - Transmission and Drivetrain
Sensors and Switches - Transfer Case / Four Wheel Drive Selector Switch / Locations
Page 1262
Sensors and Switches - Windows and Glass >
< Four Wheel Drive Selector Switch|Locations|Page 1261