Jeep Workshop Service and Repair Manuals
HOME
FEATURES
MENU
INDEX
ABOUT US
Diagram Information and Instructions|Page 6441 >
< Diagram Information and Instructions|Page 6439
Grand Cherokee 2WD L6-4.0L VIN S (1997)
Starting and Charging
Power and Ground Distribution
Fuse / Component Information
Diagrams / Diagram Information and Instructions
Page 6440
Page 14
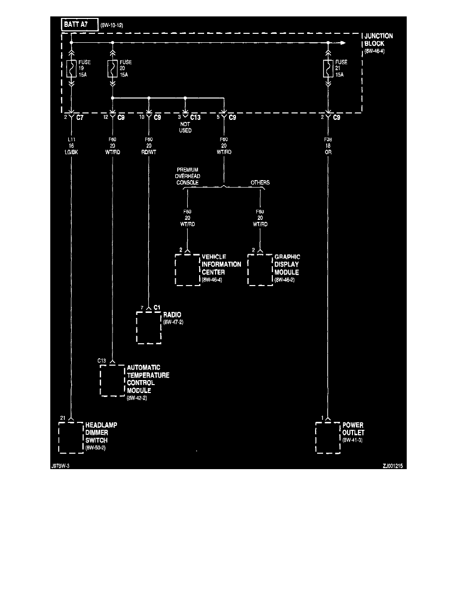
Junction Block (Part 14 Of 22)
Starting and Charging
Power and Ground Distribution
Fuse / Component Information
Diagrams / Diagram Information and Instructions
Page 6440
Diagram Information and Instructions|Page 6441 >
< Diagram Information and Instructions|Page 6439