Jeep Workshop Service and Repair Manuals
HOME
FEATURES
MENU
INDEX
ABOUT US
Diagram Information and Instructions|Page 6458 >
< Diagram Information and Instructions|Page 6456
Grand Cherokee 2WD L6-4.0L VIN S (1997)
Starting and Charging
Power and Ground Distribution
Fuse / Component Information
Diagrams / Diagram Information and Instructions
Page 6457
Page 31
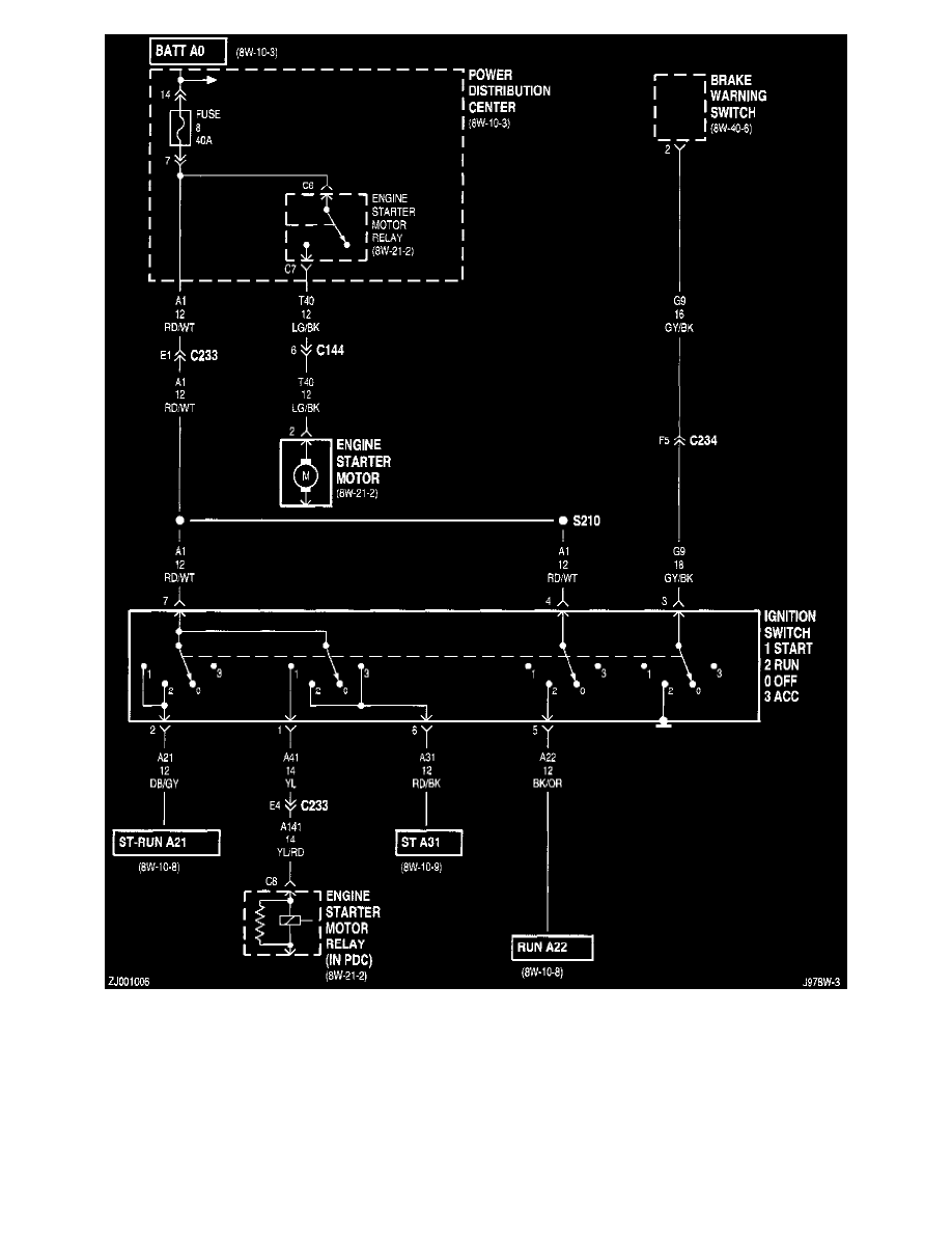
Power Distribution (Part 5 Of 14)
Starting and Charging
Power and Ground Distribution
Fuse / Component Information
Diagrams / Diagram Information and Instructions
Page 6457
Diagram Information and Instructions|Page 6458 >
< Diagram Information and Instructions|Page 6456