Grand Cherokee 4WD V6-3.7L (2009)

Keyless Start Antenna: Service and Repair
Remote Start Antenna - Removal
REMOVAL
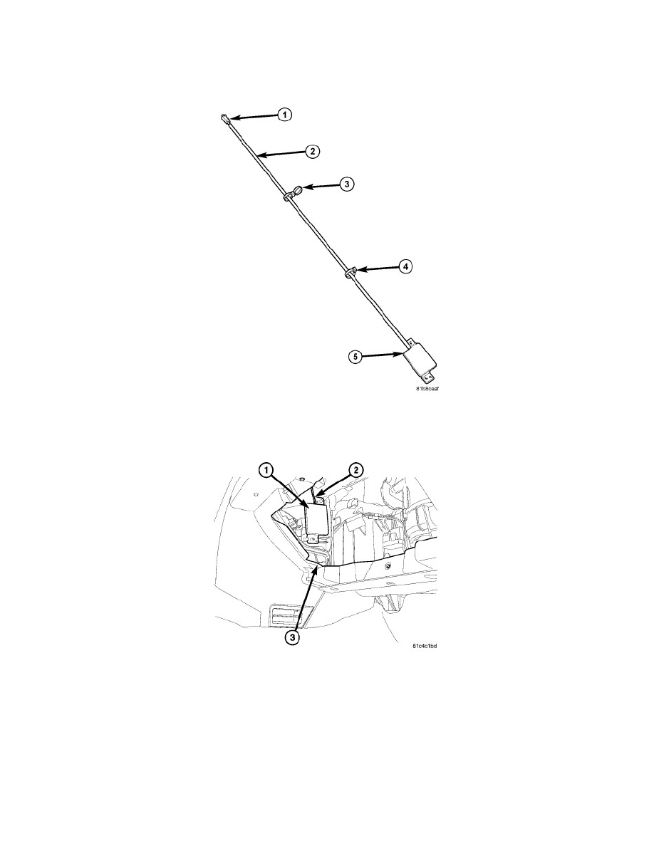
The Remote Start Antenna Module Assembly consists of an electrical connection to the Wireless Ignition Node (WIN) (1), a length of coax cable (2),
mounting clips or tie wraps (3) and (4), and a control module/antenna (5).
The control module (1) is located behind and to the left side of the glove box opening (3). The module electrical connector plugs into the WIN attached
to the ignition switch located near the right side of the steering column.
1. Disconnect and isolate negative cable from battery.
2. Remove glovebox.
3. Remove radio to gain access to coax cable tie wraps.