Grand Cherokee 4WD V6-3.7L (2009)

Rear Vision Camera: Symptom Related Diagnostic Procedures
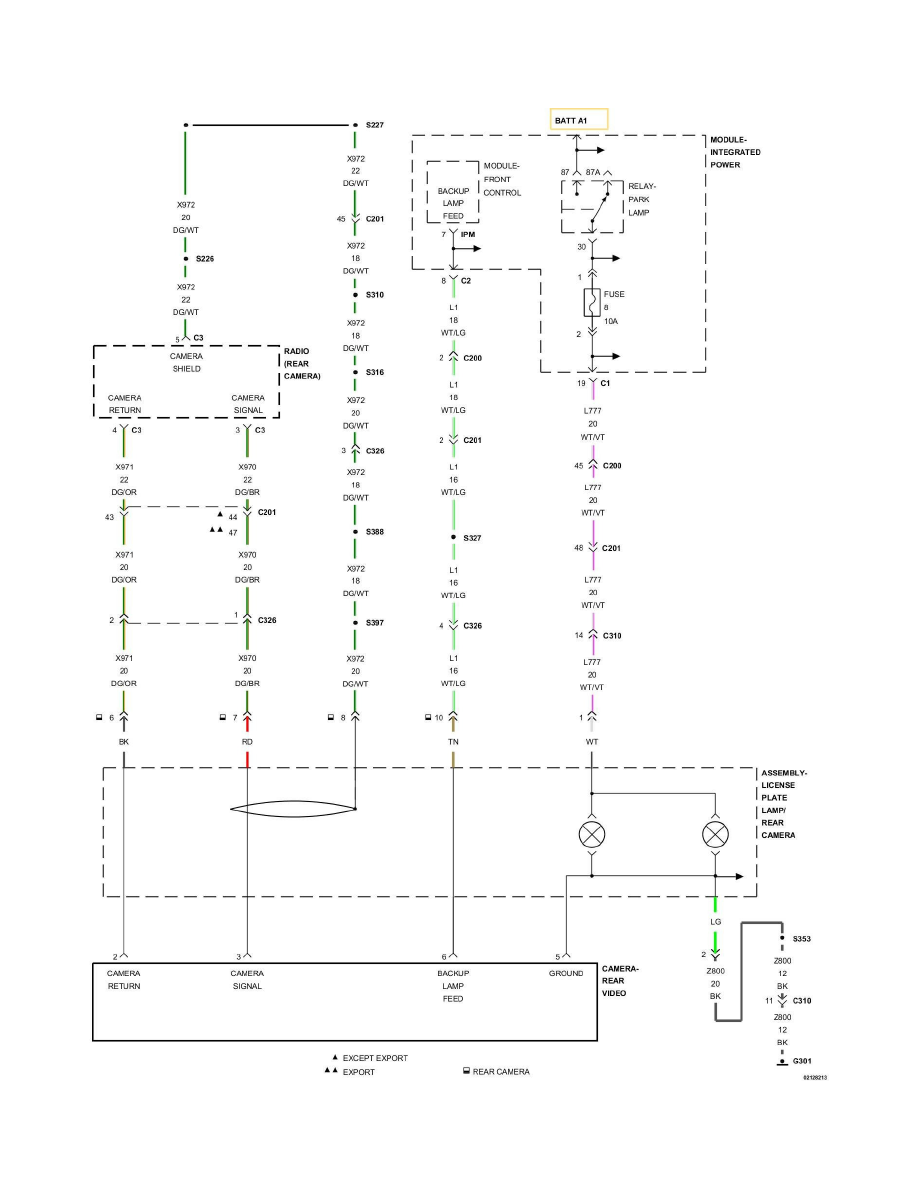
REAR CAMERA INOPERATIVE
For a complete wiring diagram, refer to the Wiring Information See: Diagrams/Electrical Diagrams.
-
When Monitored:
Rear Vision Camera: Symptom Related Diagnostic Procedures
REAR CAMERA INOPERATIVE
For a complete wiring diagram, refer to the Wiring Information See: Diagrams/Electrical Diagrams.
-
When Monitored: